音视频电路
电路图学习线性放大555电路图信号产生稳压电路图开关电源电路电池电源电路综合电源电路传感器电路图消费电子电路遥控电路图音视频电路控制电路图电机控制电路DIY电路图光电电路图医疗安防音视频电路
-
μPC1238构成的1OW音频功率放大器
音视频电路
如图所示为10W音频功率放大电路。该电路采用了集成功放μPCI238作为放大器件,输入信号经耦合电容(其容量为lμF)和电阻(其阻值为56kΩ)加到运放的同相输入端(引脚l),其输出端(引脚4)和...
阅读更多 -
晶体二极管桥式整流电路(用于电子管功放)
音视频电路
...
阅读更多 -
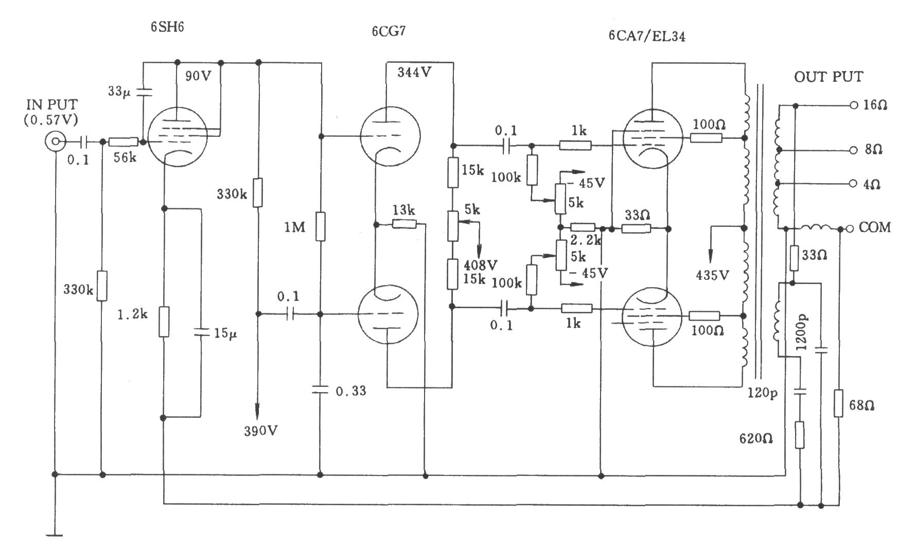
电子管斯巴克765A(SPARK765A)功放电路图
音视频电路
...
阅读更多 -
高性能小功率音频功率放大器(OPA604)
音视频电路
如图所示为高性能小功率音频功率放大电路。该电路前级采用场效应管高保真运放OPA604,后级采用高速缓冲器BUF634,且两级放大器之间引用电压串联负反馈。该电路的电压放大倍数由反...
阅读更多 -
直热式整流电子管灯丝带中心抽头的高压电路
音视频电路
...
阅读更多 -
电子管马兰士一8功放机
音视频电路
整机的频率响应范围从10Hz~40Hz较为平坦。...
阅读更多 -
LM380构成的2W音频功率放大器
音视频电路
如图所示为2W音频功率放大电路。该电路采用了14脚封装的LM380作为放大器件,输入信号经音量控制电位器Rp(20kΩ)和22μF的耦合电容加到运放LM380的反相输入端(引脚6),其同相输入端(引脚...
阅读更多 -
旁热式整流电子管的高压整流电路
音视频电路
...
阅读更多 -
电子管Dynaco ST70功放
音视频电路
...
阅读更多 -
7W音频功率放大器(LF356)
音视频电路
如图所示为7W输出的低频功率放大电路。该电路中采用了场效应管输入型集成运放LF356作为电压放大。该级作为三极管组成的功放电路的激 励级。图示电路引入了大环路负反馈,其反馈...
阅读更多
