您现在的位置是:首页 > 变频技术 > 变频技术
MM420变频器与S7-200 PLC通信的硬件接线技术方法
来源:艾特贸易2017-06-04
简介如图 3 - 42 所示,连接 MM420 变频器时,将 485 电缆的两端插入两个卡式接线端。标准的 PROFIBUS 电缆和连接器可以用于连接 S7-200PLC 。以 MM420 变频器为例,其端子 15 与 S7- 200PLC 的 9 针 P
如图3 - 42所示,连接MM420变频器时,将485电缆的两端插入两个卡式接线端。标准的PROFIBUS电缆和连接器可以用于连接S7-200PLC。以MM420变频器为例,其端子15与S7- 200PLC的9针Port口Pin8相连,其端子14与S7-200PLC的9针Port口的Pin3相连。
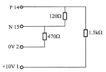
图3 - 42 S7-200 PLC与MM420变频器的硬件连接 在连线过程中,具有不同参考电位的设备相互连接时会在连接电缆中形成电流,而电流又会导致通信错误或设备损坏。因此,确保要用通信电缆连接在一起的设备,要么共享一个公共参考点,要么彼此隔离以防止未预期电流的形成。 同时,接线中屏蔽层必须接到底盘地或9针接头的Pin1,建议用户将MM420变频器上的接线端子2(即OV)接到外壳地上。 如果S7-200PLC是网络中的端点,或者如果是点到点的连接,则必须使用连接器的端子A1和B1(而非A2和B2),因为这样可以接通终端电阻(例如,使用DP接头6ES7972-0BA40-0A0)。 如果变频器在网络中组态为端点站,那么终端和偏置电阻必须正确地连接至连接终端上。例如图3 - 43中,对MM420变频器必须做的终端和偏置连接。
图3 - 43 MM420变频器的终端和偏置电阻连接
