您现在的位置是:首页 > 变频技术 > 变频技术
空气压缩机变频调速控制方式的设计
来源:艾特贸易2017-06-05
简介1 .空气压缩机变频调速系统概述 变频器是基于交 - 直 - 交电源变换原理,集电力电子和微计算机控制等技术于一身的综合性电气产品。变频器可根据控制对象的需要输出频率连续可调
1.空气压缩机变频调速系统概述
变频器是基于交-直-交电源变换原理,集电力电子和微计算机控制等技术于一身的综合性电气产品。变频器可根据控制对象的需要输出频率连续可调的交流电压。
由电动机知识知道,电动机转速与电源频率有成正比的关系:
n=60f(1-s)/p (11 -6)
式中,n为转速;
f为输入交流电频率;
s为电动机转差率;
p为电动机磁极对数。
因此,用变频器输出频率可调的交流电压作为空气压缩机电动机的电源电压,就可以方便地改变空气压缩机的转速。
空气压缩机采用变频调速技术进行恒压供气控制时,系统原理框图如图11-4所示。

图11-4 系统原理框图
变频调速系统将管网压力作为控制对象,压力变送器将储气罐的压力转变为电信号送给变频器内部的PID调节器,与压力给定值进行比较,并根据差值的大小按既定的PID控制模式进行运算,产生控制信号去控制变频器的输出电压和逆变频率,调整电动机的转速,从而使实际压力始终维持在给定压力。另外,采用该方案后,空气压缩机电动机从静止到稳定转速可由变频器实现软起动,避免了起动时的大电流和起动给空气压缩机带来的机械冲击。
正常情况下,空气压缩机在变频器调速控制方式下工作。考虑到一旦变频器出现故障时,生产工艺过程不允许空气压缩机停机,因此系统设置了工频与变频切换功能。这样,当变频器出现故障时,可由工频电源通过接触器直接供电,使空气压缩机照常工作。
2.变频器的选择
由于空气压缩机是恒转矩负载,故变频器应选用通用型的。又因为空气压缩机的转速也不允许超过额定值,电动机不会过载,一般变频器出厂标注的额定容量都具有一定的余量安全系数,所以选择变频器容量与所驱动的电动机容量相同即可。若考虑更大的余量,也可以选择比电动机容量大一个级别的变频器,但价格要高出不少。
假设改造的压缩机电动机型号为LS286TSC-4,功率22 kW,频率50 Hz,额定电压380 V,额定电流42 A,4极,转速1 470 r/min。可以选用一台三菱FR - A540 - 22K型变频器,配用电动机容量22 kW,额定容量32.8 kV·A,额定电流43 A,额定过电流能力150%(1 min),内置有PID调节器。
3.变频器的运行控制方式选择
由于空气压缩机的运转速度不宜太低,对机械特性的硬度无什么要求,故可采用U/f控制方式。
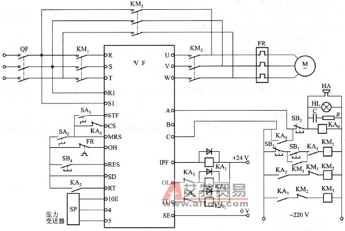
4.空气压缩机变频调速系统电路原理图
空气压缩机变频调速系统电路原理图如图11-5所示。

图11-5 空气压缩机变频调速系统电路原理图
5.变频器的端子连接说明
1)R、S、T为变频器的三相交流电源输入端子,U、V、W为变频电压输出端子。
2)变频器的接线端子R1、S1为控制电源引入端,一般在变频器通电前,须事先对变频器的有关功能进行预置,故R1、S1应接至接触器主触点KM1的前面。
3)变频器对外输出控制端子IPF、OL和FU都是晶体管集电极开路门输出,只能用于36 V以下的直流电路内,而我国尚未生产线圈电压为直流低压的接触器。因此,采用线圈电压为24V继电器KA1、KA2和KA3来过渡,即由这3个继电器分别控制3个交流接触器:KA1控制KM1,KA2控制KM2,KA3控制KM3。当KM1、KM2接通时,空气压缩机在变频器控制下运行,当KM3接通时,空气压缩机在工频电源控制下运行。
4)A、B、C为出现故障报警异常输出端,正常时A-C间不通,异常时A-C间通。
5)端子MRS,当与公共端SD接通时(ON),变频运行和工频运行切换有效,不通时(OFF)操作无效。
6)端子CS,当与公共端SD接通时(ON),变频运行,不通时(OFF)工频运行。
7)端子STF,当与公共端SD接通时(ON),电动机正转,不通时(OFF)电动机停止。
8)端子OH,当与公共端SD接通时(ON),电动机正常,不通时(OFF)电动机过载。
9)端子RES,当与公共端SD接通时(ON),初始化,不通时(OFF)正常运行。
10)端子RT,当与公共端SD接通时(ON),进入PID运行状态,不通时(OFF) PID不起作用。
6.压力变送器选用与连接
根据用户要求的供气压力0.6MPa,选择压力变送器型号:DG1300 - BZ -A-2 -2,量程0~1 MPa,输出4~20 mA的模拟信号,精确度0.5% FS。
压力变送器的连接说明如下:
1) 10E端与5号端为压力变送器提供电源DC 10 V。但须注意,若压力变送器需要DC 24 V电源,应另行配置。
2)压力反馈信号从4号端(电流信号)输入。
3)压力给定信号通过面板上的键盘进行设定,也可以通过外接电位器进行设定,我们采用前者。
7.FR热继电器保护
为防止在工频运行状态下电动机过载,在电动机的电源接人电路中串有FR热继电器保护。
8.变频器的功能预置
使用前,必须对变频器的以下功能进行预置:
1)上限频率
由于空气压缩机的转速一般不允许超过额定值,故
fH≤fN
式中,fH为设置上限频率;
fN为额定频率。
2)下限频率
空气压缩机采用变频调速后,其下限频率的预置要视压缩机的机种的工况而定,一般说来,其范围约为
30 Hz≤fL≤40 Hz
式中,fL为设置下限频率。
3)加、减速时间
空气压缩机有时需要在储气罐已经有一定压力的情况下起动,这时通常要求快一点加速,故加速时间应尽可能缩短(以起动过程不因过电流而跳闸为原则);减速时间可参照加速时间进行预置(以制动过程不因过电压而跳闸为原则)。
4)升、降速方式
空气压缩机对升、降速方式无特殊要求,可设置为线性方式。
5)操作模式
由于变频器的切换功能只能在外部运行下有效,因此设置:
Pr.79:预置为2,使变频器进入“外部运行模式”。
6)切换功能
Pr.135:预置为1,使切换功能有效;
Pr.136:预置为0.3,使切换KA2、KA3互锁时间预置为0.3 8;
Pr.137:预置为0.5,起动等待时间预置为0.5 s;
Pr.138:预置为1,使报警时切换功能有效,即让KA2断开,KA3闭合;
Pr.139:预置为9999,使到达某一频率的自动切换功能失效。
7)输入多功能端子
Pr.185:预置为7,使JOG端子变为OH端子,用于接收外部热继电器的控制信号;
Pr.186:预置为6,使CS端子用于自动再起动控制。
8)输出多功能端子
Pr.192:预置为17,使IPF端子用于控制KA1;
Pr.193:预置为18,使OL端子用于控制KA2;
Pr.194:预置为19,使FU端子用于控制KA3。
9.空气压缩机变频调速系统工作过程
1)首先使旋钮开关SA2闭合,接通MRS,允许进行切换,由于Pr. 135功能已经预置为1,切换功能有效,这时,继电器KA1、KA2吸合,KM2得电。
2)按下按钮SB1,KM1吸合,变频器接通电源和电动机。
3)闭合旋钮开关SA1,变频器进入运行状态,开始软起动电动机,使电动机缓慢升速至压力给定位置稳定运转。
4)当变频器发生故障时,报警输出端A-C之间接通,继电器KA0吸合,其动断触点使端子CS断开,允许进行变频和工频之间的切换;同时蜂鸣器和指示灯进行声光报警。
5)继电器KA1、KA2断开,KA3吸合,使接触器KM1、KM2断开,KM3吸合,进行由变频运行转为工频运行的切换。
6)操作人员按下SB3,可解除声光报警,并对变频器进行检修。
