您现在的位置是:首页 > 变频技术 > 变频技术
变频器电容反馈制动方式
来源:艾特贸易2017-06-05
简介在通用变频器中,对再生能量最常用的处理方式有三种: (1) 再生能量耗散到直流回路中设置的与电容器并联的制动电阻中,称之为电阻制动状态。 (2) 再生能量回馈到电网,则称之为回
在通用变频器中,对再生能量最常用的处理方式有三种:
(1)再生能量耗散到直流回路中设置的与电容器并联的制动电阻中,称之为电阻制动状态。
(2)再生能量回馈到电网,则称之为回馈制动状态(又称再生制动状态)。
(3)直流制动,它是用于要求准确停车的情况或起动前制动电动机由于外界因素引起的不规则旋转。
1.制动方式比较
(1)电阻制动。利用设置在直流回路中的制动电阻吸收电动机的再生电能的方式称为电阻制动,如图6-7所示。

图6-7 电阻制动原理图
其优点是构造简单,对电网无污染(与回馈制动作比较),成本低廉;缺点是运行效率低,特别是在频繁制动时将要消耗大量的能量且制动电阻的容量将增大。
一般在通用变频器中,小功率变频器(22kW以下)内置有了制动单元,只需外加制动电阻。大功率变频器(22kW以上)就需外置制动单元和制动电阻。
(2)回馈制动。实现能量回馈制动就要求电压同频、同相控制、回馈电流控制等条件。必须采用有源逆变技术,将再生电能逆变为与电网同频率、同相位的交流电回送电网,从而实现制动,如图6-8所示。

图6-8 四象限运行图
回馈制动的优点是能四象限运行,电能回馈电网提高了系统的效率。其缺点是:只有在不易发生故障的稳定电网电压下(电网电压波动不大于10%),才可以采用这种回馈制动方式。因为在发电制动运行时,电网电压故障时间大于2ms,则可能发生换相失败,损坏器件。在回馈时,对电网有谐波污染。控制复杂,成本较高。
(3)电容反馈制动:
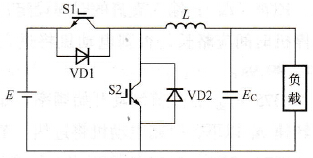
1)可逆斩波器。可逆斩波器的电路构成如图6-9所示。这种斩波器的能量流向可以采用两个方向,它具有将负载上产生的能量馈送到电源的特点。能量由电源E供给负载上时,器件S2断开,由器件S1和二极管VD2起着降压斩波器的作用。并且,由负载侧馈送能量时,器件S1断开,由器件S2和二极管VD1起着升压斩波器的作用。

图6-9 可逆斩波器
2)主电路结构。主回路原理图如图6-10所示。整流部分采用普通的不可控整流桥进行整流(如图6-10中的VD1~ VD6组成),滤波回路采用通用的电解电容(如图6-10中C1、C2),延时回路采用接触器或晶闸管均可(如图6-10中S1)。充电、反馈回路采用可逆斩波器的原理,由功率模块IGBT(如图6-10中VT1、VT2)、充电、反馈电抗器L及大电解电容器C(容量为法拉级,可根据变频器所在的工况系统决定)组成。逆变部分由功率模块IGBT组成(如图VT5~VT10)。

图6-10 电容反馈制动主回路原理图
3)工作原理。电动机发电运行状态:控制电路对输入的交流电压和直流回路电压的实时监控,决定向VT1是否发出充电信号,当输入交流电压所对应的直流基准电压值(如380VAC、530VDC)高到设定值时,控制电路关断VI3,通过对VT1导通实现对电解电容C的充电过程。此时的电抗器L与电解电容C分压,从而确保电解电容C工作在安全范围内。当电解电容C上的电压达到设定值(比如说370V),而系统仍处于发电状态,电能不断通过逆变部分回送到直流回路中时,制动单元发挥作用,实现能耗制动(电阻制动),控制VT3的关断与开通,从而使电阻R消耗多余的能量。
电动机电动运行状态:当控制回路检测到系统不再充电时,则VT3导通使得在电抗器L上形成了一个瞬时左正右负的电压,再加上电解电容G上的电压就能实现从电容到直流回路的能量反馈过程。控制电路通过对电解电容C上的电压和直流回路的电压的检测,控制VT3的开关频率以及占空比,从而控制反馈电流,确保直流回路电压不出现过高值。
