您现在的位置是:首页 > 变频技术 > 变频技术
变频器中半导体电力电子器件分类
来源:艾特贸易2017-06-05
简介变频器中常用的电力电子器件大体上可分为六类:整流二极管、 SCR 、 GTO 、大功率晶体管、 IGBT 和 P-MOSFET 。为方便读者阅读,下面将列表加以说明。 由表 1-1 可知,这六种主要器件其
变频器中常用的电力电子器件大体上可分为六类:整流二极管、SCR、GTO、大功率晶体管、IGBT和P-MOSFET。为方便读者阅读,下面将列表加以说明。
由表1-1可知,这六种主要器件其结构与外特性、控制方式有很大区别,因而用不同器件制成的变频器其构造与设计方法均不相同。
这些电力电子器件除整流二极管外,都较易受损,它们在过压、过流方面的耐量很差,稍有不慎就会烧坏管子。因而在使用时特别要留意其基极驱动电路和保护电路的设计,使器件一直在安全工作区的额定范围内运行。
近年来,电力电子器件的开发日新月异,发展非常快,不仅做到高压、大电流、高速关断,而且变频器的体积和重量不断变小,电力电子器件已向微型化和复合化的方向发展。此外,在驱动电路方面电力电子器件提高了绝缘和节电技术,使驱动功耗降至最低。下面将重点讲述为变频器节能和小型化(高密度集成组装)做出贡献的新器件ASIPM。
表1-1 主要电力电子器件特点

(1) IGBT绝缘栅双极型晶体管
众所周知,IGBT器件已成为中小型功率变频器甚至大功率高压变频器的主流开关器件。其特点是综合了MOSFET的高速性和双极型晶体管的低饱和压降特性,使其成为一个性能优良的器件,其等效电路及图形符号如图1-2所示。

图1-2 IGBT等效电路及图形符号
IGBT自开发以来不到20年的时间里,已经进入第三代产品,其开关性能、驱动功耗和容量均有惊人的提高。图1-3说明了自关断开关器件的发展和IGBT模块功耗减少的变迁情况。

图1-3 自关断开关器件的发展和IGBT模块功耗减少的变迁情况
(2) ASIPM
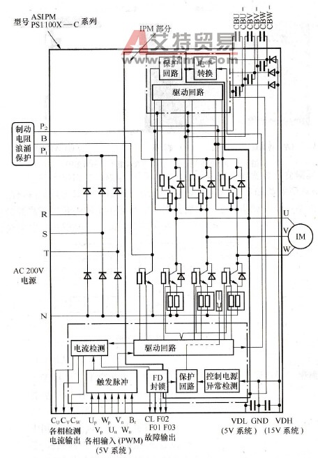
ASIPM又称智能化功率模块,其核心开关器件是IGBT,通过高密度集成技术内藏驱动电路和保护电路,为变频器小型化做出贡献。该模块带有独特的电流控制和触发信号高速处理功能,使得一台变频器只需强电的ASIPM+弱电的控制电路板(含单片机控制)即可制成,大大减小了装置的体积,提高了可靠性,降低了生产成本。图1-4为ASIPM内部结构示意图。
图1-5形象地表示出应用ASIPM后,变频器体积微缩的状况。图中,将一台0. 75kW(200V等级)变频器与ASIPM的外形作对比,并以一包香烟的体积作对照。

图1-4 ASIPM内部结构示意图

图1-5 ASIPM模块和一台小型变频器尺寸的对照图
