您现在的位置是:首页 > 变频技术 > 变频技术
高频镇流器的提高可靠性电路
来源:艾特贸易2017-06-05
简介在上述电路基础上进行改进,以减少器件发热损耗,降低有功功率损耗;提高可靠性,延长使用寿命;提高功率因数,降低谐波损耗,净化电网。 高频镇流器中主要发热元器件是晶体管
在上述电路基础上进行改进,以减少器件发热损耗,降低有功功率损耗;提高可靠性,延长使用寿命;提高功率因数,降低谐波损耗,净化电网。
高频镇流器中主要发热元器件是晶体管,其次是滤波电容、高频扼流圈和硅堆整流器。减少晶体管发热损耗的根本途径是降低其开关损耗。
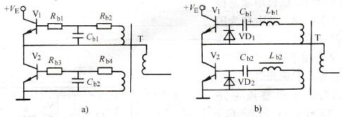
德国西门子公司在利用C3和C4的存储电容器将MT磁环二次侧感应的脉冲电压转换为电场能量提供发射结存储电荷的基础上,又在基极与电容器之间各加一只适量的电阻,从而加大RC时间常数,确保管子的导通时间,如图8-13a所示。
日本则将MT磁环二次侧感应的脉冲电压加到附加的电感中变为磁场能量存储,再通过与之串联的电容器充放电交换能量,从而保证发射结电荷的存储时间,如图8-13b所示。

图8-13 两种改进电路
a)德国西门子电路b)日本电路
