您现在的位置是:首页 > 变频技术 > 变频技术
高频镇流器电路基本类型
来源:艾特贸易2017-06-05
简介高频镇流器是一种高频振荡器。从电子学上看是一种交-直-交电压型变频器。从电路主电路(即振荡电路或逆变电路)基本原理上分,又可分为变压器耦合式 LC 并联谐振型,如图 8-10 所
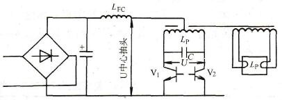
高频镇流器是一种高频振荡器。从电子学上看是一种交-直-交电压型变频器。从电路主电路(即振荡电路或逆变电路)基本原理上分,又可分为变压器耦合式LC并联谐振型,如图8-10所示;LC耦合串联谐振型,如图8-11所示。

图8-10 变压器耦合式LC并联谐振型电路原理图

图8-11 LC耦合串联谐振型电路原理图
早期的高频镇流器是采用并联谐振型。由于全部输出功率都要通过变压器耦合,势必加大变压器和镇流器的体积和重量,同时变压器的损耗也直接影响到镇流器乃至整个灯系统的总效率。另一方面,LC并联谐振电路对振荡管(或称逆变管)的耐压要求很高。这就是现代高频镇流器多采用串联谐振型的两个主要原因。
