您现在的位置是:首页 > 变频技术 > 变频技术
单相电容分相式电动机变频器简介
来源:艾特贸易2017-06-05
简介1000W 以下空气压缩机、空气调节器、冰箱、洗衣机等的电动机受电网 (220V) 的限制,多采用电容分相式电动机。通常电动机工作的接线图如图 4-26 所示。图中 L1 为电动机的主绕组, L2
1000W以下空气压缩机、空气调节器、冰箱、洗衣机等的电动机受电网(220V)的限制,多采用电容分相式电动机。通常电动机工作的接线图如图4-26所示。图中L1为电动机的主绕组,L2为副绕组,电容C用来改变流过副绕组和主绕组电流之间的相位差。R1、R2分别为电动机主绕组和副绕组的等效总电阻,ω为电动机转速,J为电动机负载。
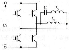
逆变装置逆变部分电路如图4-27所示,采用此装置后不需改变单相电容分相式电动机接线形式,即可直接驱动它,使用方便。设电容C的选择是以使用逆变器输出50Hz频率时,可保证电动机工作在理想工作状态为标准(即满足副绕组和主绕组电流之间数值和相位关系的要求)。电动机主绕组回路阻抗呈感性,电动机副绕组回路阻抗呈容性。随着输出频率的减小,流过主绕组的电流增大,流过副绕组的电流减小。由于主绕组电流的限制,逆变器输出电压随输出频率的减小而降低,从而使得副绕组的电流进一步减小,难以满足副绕组和主绕组电流之间数值和相位关系的要求,使其正常工作的频率调节范围受到限制。

图4-26 单相电容分相式电动机工作接线图

图4-27 单相电容分相式电动机变频器逆变部分电路图
