您现在的位置是:首页 > 变频技术 > 变频技术
艾默生TD3000变频器在工业物料传输机中的应用
来源:艾特贸易2017-06-13
简介传输机是一种通过电动机带动传动设备来向定点位置输送物件的工业设备,该设备要求传输的速度可以根据需要改变,以保证物料的正常传送。在传统控制电路中一般由电动机通过齿轮
传输机是一种通过电动机带动传动设备来向定点位置输送物件的工业设备,该设备要求传输的速度可以根据需要改变,以保证物料的正常传送。在传统控制电路中一般由电动机通过齿轮或电磁离合器进行调速控制,其调速控制过程较硬,制动功耗较大,使用变频器进行控制可有效减小启动及调速过程中的冲击,降低耗电量,同时还大大提高了调速控制的精度。
图5-24所示为典型物料传输机变频控制电路。该控制电路采用艾默生TD3000型变频器。

图5-24 典型物料传输机变频控制电路
由图可以看到,物料传输机变频控制电路主要由主电路和控制电路构成。该电路中的三相电源总断路器QF、TD3000变频器、频率给定电位器RP、交流接触器KM1、直流接触器KM2、继电器KA1/KA2、系统停机按钮SB1、系统启动按钮SB2、正转启动按钮SB3、正转停止按钮SB4、点动控制按钮SB5、电磁制动器YB等为该变频控制线路的核心部件。
整流二极管VD1用于半波整流,当交流接触器KM2线圈得电,其常开辅助触点KM2-1闭合时,为电磁制动器YB提供直流电压;整流二极管VD2用于为电磁制动器线圈YB断电时提供续流通路。
艾默生TD3000型变频器各接线端子配线方法如图5-25所示,其各接线端子功能见表5-5所列。

图5-25 艾默生TD3000型变频器各接线端子配线
表5-5 艾默生TD3000型变频器各接线端子功能

1.变频器的启动控制过程
图5-26所示为物料传输机变频控制电路中变频器的启动控制过程。

图5-26 物料传输机变频控制电路中变频器的启动控制过程
当需要变频器进行点动控制时,可按下点动控制按钮SB5,继电器KA2线圈得电。
常开辅助触点KA2-1闭合,变频器的JOG端子与COM端子(公共端)短接,变频器执行点动运行指令。
2.变频器的停机控制及三相交流电动机的制动控制过程
图5-27所示为变频器的停机控制及三相交流电动机的制动控制过程。

图5-27 变频器的停机控制及三相交流电动机的制动控制过程
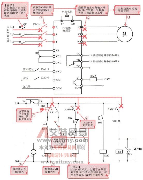
3.变频控制系统的停机控制过程
当长时间不使用变频器时需要切断其供电电源,应按下系统停止按钮SB1,图5-28所示为整个变频控制系统的停机控制过程。

图5-28 整个变频控制系统的停机控制过程
整个电路供电电源被切断,变频控制系统处于断电状态。
当物料传输机变频调速控制电路出现过载、过流、过热等故障时,变频器故障输出端子TA与TC短接,变频器执行保护指令。
控制电路部分电源被切断,交流接触器KM1线圈失电,同时电源指示灯HL熄灭(参照变频控制系统停机控制过程进行分析)。
另外,该控制电路中的压敏电阻器MY是敏感电阻器中的一种,是利用半导体材料的非线性特性的原理制成的,当外加电压施加到某一临界值时,电阻器的电阻值急剧变小的敏感电阻器。在该电路中压敏电阻器用于过压保护。
