您现在的位置是:首页 > 变频技术 > 变频技术
三相交流电动机中典型变频器调速控制电路的控
来源:艾特贸易2017-07-04
简介变频器调速控制电路的控制过程主要可分为待机、启动和停机三个状态。 (1) 变频器的待机状态 如图 2-5 所示,当闭合总断路器 QF ,接通三相电源,变频器进入待机准备状态。 图 2-5 变
变频器调速控制电路的控制过程主要可分为待机、启动和停机三个状态。
(1)变频器的待机状态
如图2-5所示,当闭合总断路器QF,接通三相电源,变频器进入待机准备状态。

图2-5 变频器调速控制电路中变频器待机状态
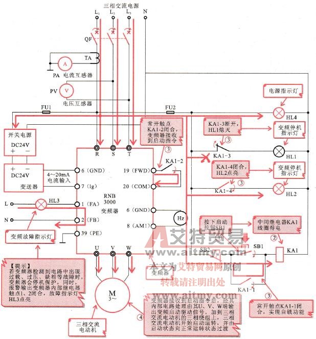
(2)变频器控制三相交流电动机的启动过程
图2-6所示为按下启动按钮SB1后,由变频器控制三相交流电动机软启动的控制过程。

图2-6 变频器控制三相交流电动机软启动的控制过程
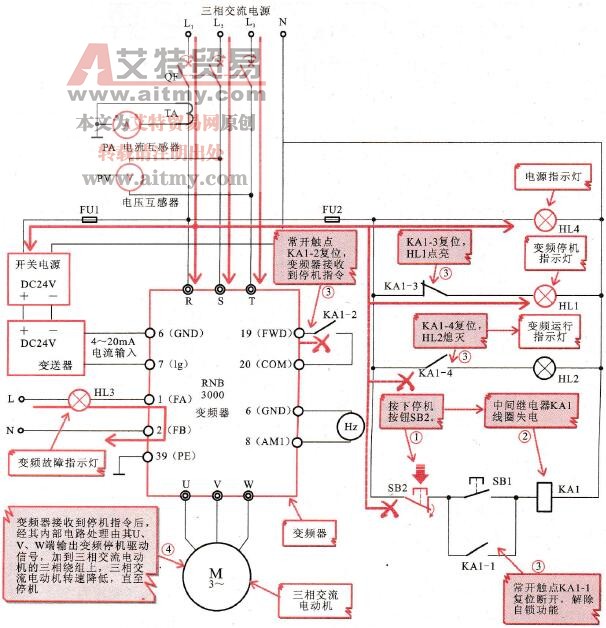
(3)变频器控制三相交流电动机的停机过程
图2-7所示为按下停止按钮SB2后,由变频器控制三相交流电动机停机的控制过程。

图2-7 变频器控制三相交流电动机停机的控制过程
