变频技术
变频技术
-
松下DV-55116A变频器开关电源电路图说
变频技术
图八十 松下 DV-55116A 变频器开关电源电路图 开关电源电路只要工作稳定,故障率低和有较高的效率,采用何种电路结构倒是次要的。如 VFO 型变频器的电路,采用单管自激振荡电路,也...
阅读更多 -
外部电位器调节运行频率,外部开关控制MM440系列
变频技术
利用调节转速调节电位器,输入大小可调的模拟电压信号,控制电动机转速的大小。也就是由数字输入端控制电动机转速的方向,由模拟输入端控制转速的大小。 操作实例 用外部旋钮...
阅读更多 -
工频与变频的切换电路
变频技术
1 .电路 图 8-6 是一个典型的工频与变频切换控制电路。该电路在工作前需要先对一些参数进行设置。 电路的工作过程说明如下: (1) 变频运行控制。 1) 启动准备。将开关 SA2 闭合,接...
阅读更多 -
松下DV-55116A变频器驱动电路图说
变频技术
图八十一 松下 DV-55116A 变频器驱动电路图 由 IC1 (CPU) 来的 6 路逆变脉冲信号,先由 IC3 ( C4050 同相六缓冲器/电平变换器)缓冲输出,再由排电阻器件 RNN2 (内含 6 只独立 390 Ω电阻)引...
阅读更多 -
MM440系列变频器多段速控制电路
变频技术
由于现场工艺上的要求,很多生产机械在不同的转速下运行。为方便这种负载,大多数变频器提供了多挡频率控制功能。用户可以通过几个开关的通、断组合来选择不同的运行频率,实...
阅读更多 -
变频器的多挡转速控制端子
变频技术
变频器的 RH 、 RM 、 RL 为多挡转速控制端, RH 为高速挡, RM 为中速挡, RL 为低速挡。 RH 、 RM 、 RL 3 个端子组合可以进行 7 挡转速控制。多挡转速控制如图 8-7 所示,其中图 8-7 (a) 为多...
阅读更多 -
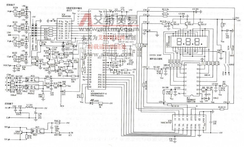
松下DV-55116A变频器CPU电路一图说
变频技术
图八十二 松下 DV-55116A 变频器 CPU 电路一图 DV-551 变频器的控制端子 Il 、 I2 、 I3 、 I4 电路未采用光耦器件,但是加入了多级“保护屏障”,以 I4 端子支路为例说明一下:输入 R124 (10...
阅读更多 -
MM440系列变频器PID控制电路
变频技术
MM440 系列变频器内置了 PID 功能,其 PID 的控制参数主要有以下几个方面。 1 . PID 使能信号的选择 PID 闭环运行,首先必须选择 PID 功能有效。 MM440 系列变频器使能信号参数设定为 P22...
阅读更多 -
变频器多挡控制参数的设置
变频技术
多挡控制参数包括多挡转速端子选择参数和多挡运行频率参数。 1 .多挡转速端子选择参数 在使用 RH 、 RM 、 RL 端子进行多速控制时,先要通过设置有关参数使这些端子控制有效。多挡...
阅读更多 -
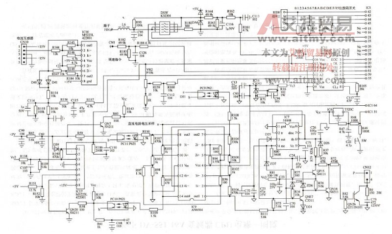
松下DV-55116A变频器CPU电路二图说
变频技术
图八十三 松下 DV-55116A 变频器 CPU 电路二图 由 CN10 端子来的 U 相电流信号,经 R144 输入到 IC10 ( M5223L ,含两组运算放大器) 2 脚, IC10 内部的第一级放大器将输入负半波电流信号倒相...
阅读更多
