变频技术
变频技术
-
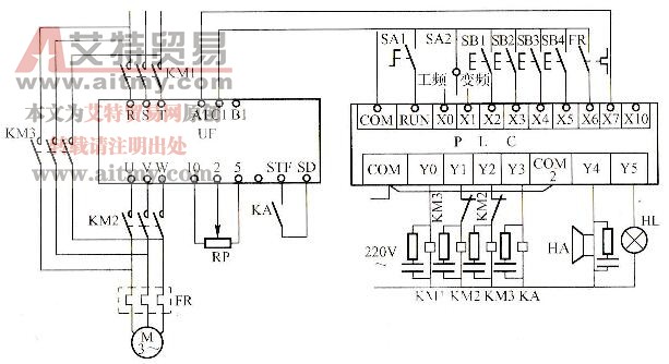
PLC控制的变频与工频切换电路
变频技术
通过用 PLC 控制变频器的变频与工频切换电路,可使用户更加方便地根据工作需要来选择工频运行或变频运行。 1 .电路图 由 PLC 控制的变频与工频切换电路如图 2-80 所示。主电路与前...
阅读更多 -
变频器多段速端子组合及接线
变频技术
现代工业生产中,在不同的加工阶段要求生产机械采用不同的速度进行工作,以保证生产机械的合理运行,并提高产品的质量。例如金属切削机床在进行精加工时,为了降低工件的表面...
阅读更多 -
康沃CVF-G-5.5kW变频器保护控制电路图说明
变频技术康沃 CVF-G-5.5kW 变频器保护控制电路图 ( 点击查看大图 ) 变频器的直流电压检测电路不外乎以下两种电路形式。一是输入自直流回路的 530V 直流电压采用电阻分压、线性光耦合器隔离和运...
阅读更多 -
阿尔法ALPHA2000 18.5kW变频器驱动电路图说明
变频技术
阿尔法 ALPHA200018.5kW 变频器驱动电路图(点击查看大图) 先得弄清楚驱动 IC-A316J 是个什么器件,才能进行整个驱动电路的原理探讨。见下图( A316J 内部功能框图): 上图为 A316J(HCPL3...
阅读更多 -
富士5000P9/G9 160kW变频器驱动电路图说明
变频技术富士 5000P9/G9160kW 变频器驱动电路图 ( 点击查看大图 ) 160kW 富士变频器的逆变输出电路,每相输出模块都是 3 只 300A 双管模块并联的,相当于 900A 的模块了。并联模块所需的驱动电流也是...
阅读更多 -
台安N2-405-1013 3.7kW变频器主电路图说明
变频技术
台安 N2-405-10133.7kW 变频器主电路图 ( 点击查看大图 ) 电工师傅都清楚的,三相 380V 电源,三根交流母线的标注,是 L1L2 、 L3 。而变频器的三相电源输入端子,以标注 R 、 S 、 T 的为多,...
阅读更多 -
阿尔法ALPHA2000 18.5kW变频器驱动电路、振荡板电路
变频技术
阿尔法 ALPHA200018.5kW 变频器驱动电路、振荡板电路图(点击查看大图) 检查驱动 IC 或 IGBT 模块的故障所在,必须知晓 A316J 保护电路的原理和关键功能引脚相应的输出状态(电平值)。...
阅读更多 -
安川616G3-55kW变频器主电路图说明
变频技术安川 616G3-55kW 变频器主电路图 ( 点击查看大图 ) 所有变频器主电路的结构都是相似的,乃至于是相同的。而安川变频器的主电路和我国台湾地区的东元变频器的主电路更是如出一辙。稍...
阅读更多 -
台安N2-405-1013 3.7kW变频器开关电源电路图说明
变频技术台安 N2-405-10133.7kW 变频器开关电源电路图 ( 点击查看大图 ) 开关电源电路的供电由直流回路的 530V 取得。 4 只 75kQ2W 电阻 (R248 、 R249 、 R230 、 R266) 承担了输送电源起动电流的任务,电源...
阅读更多 -
阿尔法ALPHA2000 18. 5kW变频器CPU逆变脉冲输出电路图
变频技术阿尔法 ALPHA200018.5kW 变频器 CPU 逆变脉冲输出电路图(点击查看大图) 驱动 IC 输入的 6 路逆变脉冲是从哪里来的呢?是从 CPU 引脚直接过来,还是要经过一个中间电路环节转换再过来的...
阅读更多
