变频技术
变频技术
-
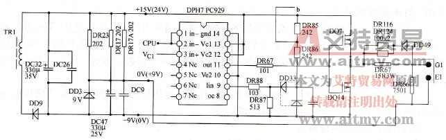
台达(中达)DVP-1型22kW变频器温度检测与驱动电
变频技术台达(中达) DVP-1 型 22kW 变频器温度检测与驱动电路图(点击查看大图) 散热风扇的状态与模块温升确实是紧密相关的,怪不得该电路将温度检测信号与风扇检测信号两路并做了一路...
阅读更多 -
台达(中达)DVP-1型22kW变频器驱动电路图说明
变频技术台达(中达) DVP-1 型 22kW 变频器驱动电路图 ( 点击查看大图 ) 如同大部分变频器驱动电路的供电模式一样,逆变电路下三臂 IGBT 的驱动供电是采用同一个电源的。正供电电压范围: 1...
阅读更多 -
富士5000P9/G9 160kW变频器开关电源电路图说明
变频技术富士 5000P9/G9160kW 变频器开关电源电路图(点击查看大图) 作为稳压电源的一个种类,开关电源以其高效率、小体积和低功耗的特点获得了广泛应用。在变频器电路中,常见的电路形式...
阅读更多 -
变频器驱动电路例图
变频技术
(1) 驱动电路例图(见图 1-2 ) 图 1-2 驱动电路例图 (2) 变频器驱动电路元器件及单元电路的命名 对 IGBT 承担直接驱动任务的且与 IGBT 有直接电气联系的这部分电路,起名为驱动电路。图...
阅读更多 -
普传8018F3 18.5kW变频器主电路/驱动电路图说明
变频技术
普传 8018F318.5kW 变频器主电路 / 驱动电路图 ( 点击查看大图 ) 普传变频器的驱动电路采用了两片集成电路 -A4504 和 MC33153P , A4504 的内部电路与 T250V 相似,也是光耦合器输入,但输出级却...
阅读更多 -
三菱FR-A740变频器的停止选择(Pr.250)功能参数
变频技术
当变频器启动信号处于 OFF 状态时,变频器停机。变频器停机的方法有减速停机和自由停机两种。 Pr.250 参数用于设置停止选择,参数设置见表 2-16 。 表 2-16 停止选择参数表 电动机减速...
阅读更多 -
变频器的开关电源电路例图
变频技术
(1) 变频器的开关电源电路例图(见图 1-3 ) 图 1-3 变频器的开关电源电路例图 (2) 变频器开关电源电路元器件及单元电路的命名 开关电源电路从构成的布局上大致有下列几种类型。 一种...
阅读更多 -
普传8018F3 18.5kW变频器驱动电路/输出采样电路图说
变频技术普传 8018F318.5kW 变频器驱动电路 / 输出采样电路图(点击查看大图) 本机驱动电路的形式应用得较少,有自己的特点。 1) 单电源驱动电路供电,无负电源。 2) 两只驱动 IC ,前者担任光...
阅读更多 -
三菱FR-A740变频器参数设定技术方法
变频技术
1 .操作面板设定 FR-A740 变频器可以通过操作面板上的各种按键和 M 旋钮来进行参数的设定。 2 .使用外部设备设定 除操作面板以外,还可以使用外部参数单元或装有设定软件的计算机...
阅读更多 -
变频器的CPU主板电路
变频技术
变频器除电源 / 驱动板外,还有一块要紧的电路板 -CPU 主板。其技术含量高,维修难度大,一般包括变频器的控制端子电路,数字 / 模拟的输入 / 输出控制信号电路;操作显示面板与...
阅读更多
