变频技术
变频技术
-
变频器按功能用途分类
变频技术(1) 通用变频器:通常指没有特殊功能、要求不高的变频器。由于分类的界限不是很分明,所以绝大多数变频器都可归入这一类中。 (2) 风机、水泵用变频器:其主要特点是过载能力较弱...
阅读更多 -
变频器主电路部分的基本构成
变频技术
如图 1-17 所示为通用变频器 (VVVF) 控制原理框图。它通常由主电路和控制回路两部分组成。 变频器主电路给异步电动机提供调压调频电源,它是变频器电力变换部分,图 1-18 所示为典型...
阅读更多 -
变频器按变换环节分类
变频技术
1) 交 - 交变频器 交 - 交变频器把频率固定的交流电源变换成频率连续可调的交流电源,如图 1-37 所示。其主要优点是没有中间环节,变频效率高,但其连续可调的频率范围窄,一般为额...
阅读更多 -
变频器控制回路部分的基本构成
变频技术
变频器的控制回路主要是向主电路提供控制信号,其主要任务是完成对逆变器开关器件的开关控制和提供多种保护功能。控制方式有模拟控制和数字控制两种。 通用变频器控制回路框图...
阅读更多 -
变频器的非智能控制方式
变频技术当对异步电动机调速时,需要根据电动机的特性对供电电压(电流)和频率进行适当控制,采用不同的控制方法所得到的调速性能、特征和作用是不同的。 变频器所采用的控制方式按系...
阅读更多 -
变频器的交-直整流工作原理
变频技术
变频器在使用时,其输出电压为等效的 PWM 波形,如图 1-21 所示。之所以形成这样的波形,是因为变频器是利用内部半导体器件来实现波形的转换的。 图 1-21 变频器电压输出波形 交 -...
阅读更多 -
变频器的智能控制方式
变频技术智能控制方式主要有神经网络控制、模糊控制、专家系统、学习控制等。在变频器的控制中采用智能控制方式在具体应用中有一些成功的范例。 1) 神经网络控制 神经网络控制方式应用...
阅读更多 -
变频器的直-交逆变工作原理
变频技术
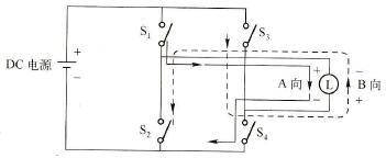
逆变是将直流电转变为交流电的过程,逆变器是把直流电 (DC) 变成为交流电 (AC) 的装置,是交 - 直 - 交变频器的核心部分。 1) 逆变原理 (1) 直流电变换成交流电的方法。如图 1-25 所示,...
阅读更多 -
变频器控制的展望
变频技术
随着电力电子技术、微电子技术、计算机网络等高新技术的发展,变频器的控制方式今后将向如下几个方面发展。 1 .数字控制变频器的实现 现在,对于变频器的控制,用数字处理器已...
阅读更多 -
变频器的PWM控制技术基本原理
变频技术
实现变频变压的方法有多种,目前应用较多的是脉冲宽度调制技术,简称 PWM 技术。 PWM 控制是指在保持整流得到的直流电压大小不变的条件下,利用半导体开关器件的导通与关断把直流...
阅读更多
