变频技术
变频技术
-
怎样利用变频器报警输出端子
变频技术
对报警输出端子的利用主要有两个方面,具体电路如图 4-16 所示。 图 4-16 报警端子的应用电路 1 .切断变频器电源。图中接触器 KM 是用来接通变频器电源的,报警输出的动断(常闭)...
阅读更多 -
怎样正确地控制电动机的起动和停止
变频技术
正确控制电动机起动和停止的参考电路如图 4-25 所示。接触器 KM 用于控制变频器接通和断开电源;继电器 KA 用于接通正转(或反转)的控制电路。控制过程应该满足两个要求: 1 .通...
阅读更多 -
怎样设计直接起动的故障切换电路
变频技术
继电器控制的切换电路如图 4-36 所示。为了使变频器切断电源后,其控制电路能够继续起作用,应将变频器内部的控制电源“ S1-T1 ”接至接触器触点的前面。 此电路可以由人工选择工...
阅读更多 -
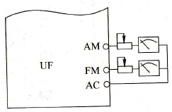
怎样选择和处理变频器外接测量仪表
变频技术
变频器的外接模拟量输出端子主要用于测量变频器的运行数据,如输出频率、输出电流和输出电压等,如图 4-17a 所示。 但变频器所提供的模拟量信号都是与被测参数成正比的低压直流...
阅读更多 -
变频运行的情况下怎样更改电动机的旋转方向
变频技术
众所周知,任意交换电动机的两根电源线,就可以更改电动机输入侧的相序,从而改变电动机的旋转方向,如图 4-26a 所示。在变频运行的情况下,如何更改呢? 图 4-26 更改电动机的旋...
阅读更多 -
怎样设计自耦变压器起动的故障切换电路
变频技术
容量较大的电动机用于工频电源时,大多具有降压起动环节。自耦变压器降压起动是常用的方法之一,在配用了变频器后的故障切换电路,如图 4-37 所示,控制电路的工作过程如下:...
阅读更多 -
变频器外接仪表的读数与显示屏不一样,怎么办
变频技术
通常有两种办法: 1 .设定调整。即通过功能预置来校准。例如: 康沃 CVF-G2 系列变频器中: 功能码 b-12 预置模拟输出 AM 端子的增益,数据码范围是 0.50 ~ 2.00 ; 功能码 b-13 预置模拟...
阅读更多 -
锅炉风机变频调速时,要求在炉前和楼上控制室
变频技术
可利用变频器输入控制端子中的升速和降速功能来实现。如图 4-27 ,将变频器输入端子中的 X1 和 X2 分别预置为升速端子和降速端子。将两组按钮开关分别装在两个操作盒内: CA 为炉前...
阅读更多 -
怎样设计Y-△起动的故障切换电路
变频技术
如图 4-38 所示,控制电路的工作过程如下: 1 .直接工频运行。将切换开关 SA 旋至“工”(“工频运行”)位→ SA (5-7) 接通。 按起动按钮 SF1 →继电器 KA1 得电,这时: KA1 (1-3) 闭合→...
阅读更多 -
脱水机实现低速运行3min后又分别用中速和高速各
变频技术
某脱水机,要求低速运行 3min 后又分别用中速和高速各脱水 2min ,各转速段都要有指示灯指示,怎样实现? 根据用户要求,作出运行程序如图 4-39 所示。共分三个程序段: 图 4-39 甩干...
阅读更多
