变频技术
变频技术
-
变频器与电动机之间的连接导线选择
变频技术
当电动机与变频器之间的距离较长时,须注意线路电压降的影响。因为在低频运行时,变频器的输出电压较低,线路电压降的影响将会变得十分明显,影响电动机的正常运行。 图 3-5 输...
阅读更多 -
变速恒频磁场调制发电机系统
变频技术
这种变速恒频发电系统由一台专门设计的高频交流发电机和一套电力电子变换电路组成,图 7-6 示出磁场调制发电机单相输出系统的原理方框图及各部分的输出电压波形。发电机本身具...
阅读更多 -
变频器的输出电抗器选择
变频技术
在一些特殊场合,变频器的输出侧需要接入输出电抗器。主要有以下两种情况: (1) 电动机和变频器间的距离较远。因为变频器的输出电压是高频高压的脉冲波,所以,输出电流中存在...
阅读更多 -
变速恒频交流励磁双馈型异步发电系统
变频技术
系统如图 7-7 所示,该系统采用转子交流励磁的双馈型异步发电机,其结构与绕线式异步电机类似。双馈型异步发电机的定子并到电网上,转子通过一励磁变换器和进线电抗器与电网相...
阅读更多 -
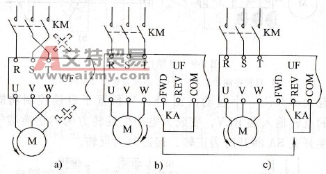
变频器控制电动机的起动
变频技术
1 .上电起动 部分变频器控制电路的电源是接到主接触器前面,不受主接触器控制的。只要空气断路器 Q 闭合,控制电路就已经通电了,如图 3. 7a 所示。就是说,在变频器接通电源之前...
阅读更多 -
变速恒频无刷双馈型发电机系统
变频技术
这种系统如图 7-8 所示,采用的发电机为无刷双馈型发电机。其定子有两套极数不同的绕组,一为功率绕组,直接接电网;另一为控制绕组,通过双向变换器接电网。无刷双馈型发电机...
阅读更多 -
变频器控制电动机的反转控制
变频技术
1 .改变相序 一般情况下,人们习惯于通过改变相序来改变电动机的旋转方向。具体方法是,任意交换电动机的两根相线。但在使用变频器的情况下,需要注意如图 3-11a 所示的几种情形...
阅读更多 -
变速恒频爪极式发电机系统
变频技术无刷爪极自励发电机与一般同步电机的区别仅在于它的励磁系统部分。其定子铁心及电枢绕组与一般同步电机基本相同。由于爪极发电机的磁路系统是一种并联磁路结构,所有各对极的...
阅读更多 -
变频器的升速端子和降速端子
变频技术
变频器的输入控制端中,有两个端子,经过功能设定,可以作为升速和降速之用。 图 3-12 所示,如果将频率给定方式预置为外接端子升、降速方式的话,则可以在输入控制端子中任选两...
阅读更多 -
变速恒频开关磁阻发电机系统
变频技术
开关磁阻式风力发电系统以开关磁阻发电机为机电能量转换核心,如图 7-9 所示。 开关磁阻发电机为双凸极电机,定子、转子均为凸极齿槽结构,定子上设有集中绕组,转子上既无绕组...
阅读更多
