变频技术
变频技术
-
变频器在传送带等搬运机械中的应用
变频技术
传送带在物流生产线中得到广泛应用,它结构简单、功率小、输送能力大。应用在传送带上的变频工艺控制系统,采用一台变频器驱动生产线上的多台传送带电动机,根据所生产的产品...
阅读更多 -
FRENIC5000变频器在轧钢厂供水系统中的应用实例
变频技术
根据生产工艺要求,轧钢厂在生产过程中,随时要补充软水作为工业冷却用水。过去是用改变阀门方法调节水的流量和压力(扬程)。现将变频器接入供水控制系统中.根据工艺所需的...
阅读更多 -
风机的切换电路
变频技术
大多数使用风机的场合,都不允许风机停机。在配用了变频器以后,一旦变频器发生故障,应能自动切换至工频运行。在前文中,曾介绍了一个切换电路。但多数风机容量较大,用于工...
阅读更多 -
变频器在机床中的应用
变频技术
机床的调速以前多采用带轮、齿轮、离合器等机械式变速器实现,虽然在工程实际中大量应用,但存在变化不易、只能有挡变速、故障率高、维护困难等缺点。为了大幅度简化机械式变...
阅读更多 -
6SC2415-1ABOO高压变频器在火力发电厂灰浆泵系统中
变频技术
(1) 灰浆泵改为变频器调速前存在的问题 本系统共有五台灰浆泵,系统图如图 3-15 所示,功率: 1# 泵电动机 500kW , 2# 、 3# 泵电动机 310kW , 4# 、 5# 泵电动机 400kW 。变频器安装在 4# 、...
阅读更多 -
水泵变频调速中的基本模型和参数
变频技术
1 .基本模型。如图 8-9 所示。图中, M 是电动机, P 是水泵。水泵的功能是把水从水池吸入,加压后输送到所需要的地方去,如工厂的各车间、大楼的各楼层以及生活小区等。 图 8-9...
阅读更多 -
变频器的工艺调速市场分析
变频技术
目前,我国的设备控制水平与发达国家相比还比较低,制造工艺和效率都不高。但随着中国加入 WTO ,产品质量和生产效率都需要面临国际竞争,因此提高设备控制水平至关重要。由于...
阅读更多 -
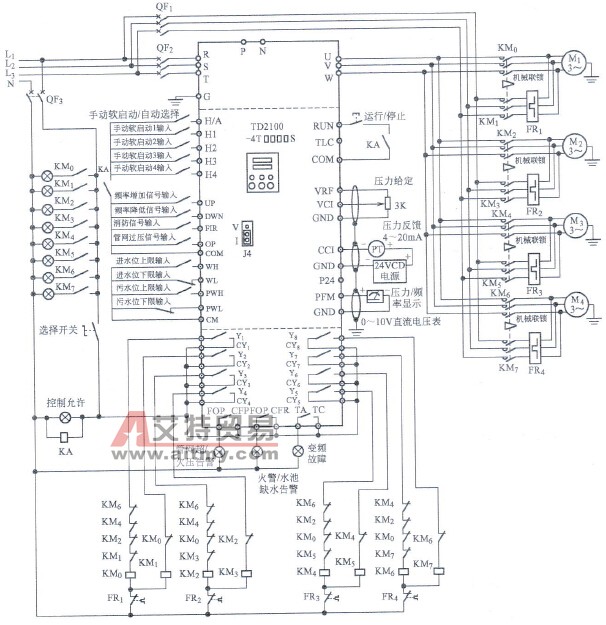
华为电气TD2100供水专用变频器用户密码设定
变频技术
华为电气 TD2100 供水专用变频器相当于一台通用变频器加上 PLC 功能,成为集供水控制和供水管理于一体的系统。由于内置有专用 PI 调节器,故只需加一个压力传感器,即可方便地组成...
阅读更多 -
水泵变频调速中水泵装置的主要特性
变频技术
1 .扬程特性 (1) 定义。以管路中的阀门开度不变为前提,表明在某一转速下,全扬程与流量间关系的特性 HG=f(Q) ,称为扬程特性,如图 8-10a 中的曲线①所示。 图 8-10 水泵装置的扬程特...
阅读更多 -
风机和水泵的变频节能原理
变频技术
变频器最典型的应用是各类机械以节能为目的,用变频器进行调速控制。其中以风机、泵类最为典型,应用表明,节约动力达 70% 以上。 风机和水泵的特点是其负载转矩与转速的平方成...
阅读更多
