变频技术
变频技术
-
常规变频起升机构简介
变频技术①结构介绍 变频调速技术在塔式起重机的各传动机构的应用在我国已经有近 10 年的时间,取得了一些大的突破和进步,但是,变频调速技术在塔机上的应用还远远不如其他行业,其中...
阅读更多 -
变频器的过电压保护功能
变频技术
1 .产生过电压的原因 (1) 电源过电压; (2) 降速时因反馈能量来不及释放而形成的再生过电压; (3) 在 SPWM 控制方式中,电路是以序列脉冲的方式进行工作的。由于电路中存在着绕组电...
阅读更多 -
双变频起升机构简介
变频技术
①双变频电机补偿起升机构工作原理 图 5-10 双变频电机补偿起升机构 1 , 2- 变频器; 3- 控制单元; 4- 速度给定单元; 5 , 15- 电机制动器; 6 , 14- 电动机: 7 , 13- 连接单元; 8- 变...
阅读更多 -
变频器的欠电压保护功能
变频技术
1 .产生欠电压的原因 (1) 电源方面 1) 电源电压过低; 2) 电源断相。 (2) 电路方面 1) 整流器件损坏,如果六个整流二极管中有部分因损坏而断路,则整流后的电压将下降,如图 4-17 所示...
阅读更多 -
变频器电压的直接采样检测
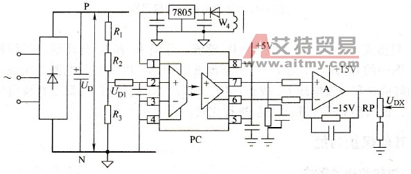
变频技术
变频器最容易波动的电压是直流电压 UD ,其大小非但和电源电压的波动有关,还和电动机的运行状态有关。因此,电压的检测通常是检测直流电压。方法之一是直接从直流电压上采样,...
阅读更多 -
对变频器瞬时停电的处理
变频技术
所谓瞬时停电,是指突然停电后,在短时间内电源又恢复的情形。 1 .电源恢复后,电力拖动系统能否接着运行 (1) 如停电时间 t0 td ,即电源停电后又在 td 时间内恢复,则整个系统将持...
阅读更多 -
森兰BT40系列变频器的键盘配置
变频技术
BT40 系列变频器的键盘配置如图 4-34 所示。各键的功能如下: 1 . FUNC/DATA 键 (1) 模式转换; (2) 读出和写入(功能码或数据)。 2 . SET/ 键 (1) 切换显示内容; (2) 数据移位。 3 .键和键...
阅读更多 -
变频器电压的间接采样检测
变频技术
如图 4-19 所示,二次绕组 W5 的感应电动势的处理分为两种情形: 1 .整流并滤波经二极管 VD1 整流后得到脉冲电压序列 u5 ,并由电容器 C1 滤波后得到直流电压 UD5 ,作为控制电压。 图...
阅读更多 -
变频器的发光二极管显示功能
变频技术
各种变频器配置的发光二极管显示功能差异很大,但归纳起来,其主要的显示功能不外是以下两类: 1 .状态显示。显示变频器当前的工作状态,如 RUN (运行)、 STOP (停止)、 FWD...
阅读更多 -
变频器的过热和接地保护功能
变频技术1 .过热保护。主要有以下内容: (1) 风扇运转保护。变频器的内装风扇是箱体内部散热的主要手段,它将保证逆变器件和控制电路的正常工作。所以,如果风扇运转不正常,应立即进行...
阅读更多
