变频技术
变频技术
-
MM420变频器P0700参数的快速调试技术方法
变频技术
图 2-10 所示的 P0700 参数可以选择数字的命令信号源,即 0 为工厂的默认设置、 1 为 BOP 键盘设置、 2 为由端子排输入、 4 为 BOP 链路的 USS 设置、 5 为 COM 链路的 USS 设置、 6 为 COM 链路的...
阅读更多 -
变频器的基频以下、以上调速
变频技术
变频调速是通过改变异步电动机供电电源的频率f来实现无级调速的,其接线如图 1-1 所示,屯动机采用变频调速以后,电动机转轴直接与负载连接,电动机由变频器供电。变频调速的关...
阅读更多 -
MM420变频器的上电运行
变频技术
对于 MM420 变频器应用来说,首先要上电,然后进行面板操作,即在变频器上电后直接采用操作面板 BOP 进行操作。以下就是用 和 键来设定频率运行的方法。...
阅读更多 -
MM420变频器P0701~P0708参数的快速调试技术方法
变频技术
图 2-13 所示的 P0701 参数可以选择数字输入 1 的功能,如 OFF1 、 OFF2 、 OFF3 、点动、反转、 MOP 、固定频率设定值、直流制动、 BICO 等功能,具体功能见表 2-2 。 图 2-13 P0701 参数格式 表...
阅读更多 -
变频器的分类与结构
变频技术
根据变换环节,变频器分为交 - 交变频器和交 - 直 - 交变频器。 交 - 交变频器,是把频率固定的交流电变换成频率连续可调的交流电的电源设备。主要优点是没有中间环节,变频效率高...
阅读更多 -
了解变频器所带动电动机的基本参数
变频技术
图 2-1 所示为变频器所带动的电动机及其铭牌参数(以西门子公司标准电动机为例)。 图 2-2 所示为跟电动机铭牌参数息息相关、且能从铭牌获取数据的变频器参数格式。 图 2-1 变频器...
阅读更多 -
MM420变频器P1000参数的快速调试技术方法
变频技术
图 2-14 所示的 P1000 参数可以选择频率设定值的信号源。 图 2-14 P1000 参数格式 在表 2-3 给出的可供选择的设定值中,主设定值由最低一位数字个位数来选择 ( 即 0 ~ 7) ,而附加设定值由...
阅读更多 -
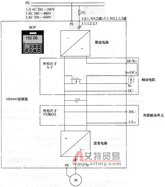
MM440变频器的外部接线
变频技术
1 .主回路 图 1-8 所示为 MM440 变频器的主回路,它根据单相变频器或三相变频器的不同在进线方式上有所区别;根据尺寸的不同,在制动单元上的配置也有所不同,分为内置制动单元和...
阅读更多 -
了解变频器的停车功能
变频技术变频器停车主要有以下几种方式: OFF1 、 OFF2 和 OFF3 。 1) OFF1 为默认的正常停车方式,用端子控制时,它与 ON 命令是同一个端子输入,为低电平有效。变频器按 P1121 中设定的时间停车...
阅读更多 -
MM420变频器P1300参数的快速调试技术方法
变频技术
如图 2-15 所示的 P1300 参数可以选择变频器的控制方式。其可能的设定值见表 2-4 。 图 2-15 P1300 参数格式 表 2-4 P1300 可能的设定值 可能的设定值 含 义 0 线性特性的 V/f控制 1 带磁通电流...
阅读更多
