变频技术
变频技术
-
变频调速时,电动机具有什么样的转矩特性?
变频技术
普通异步电动机和专用异步电动机转矩特性有什么区别? 由电动机理论可知,对异步电动机进行调速控制时,异步电动机的主磁通应保持额定值不变。若磁通太弱,铁芯利用不充分,同...
阅读更多 -
PLC控制电动机正转控制线路是怎么样的?
变频技术
控制线路如图 8-13 所示。 图 8-13 PLC 的正转控制线路 ①输入侧。旋钮开关 SA1 用于使 PLC 开始运行:控制按钮 SB1 用于使接触器 KM 动作; SB2 用于使 KM 释放:旋钮开关 SA2 用于使变频器开...
阅读更多 -
在哪些场合需要进行变频和工频的切换?
变频技术
一般来说,大致有以下几种情况。 ①故障切换有些机械在运行过程中是不允许停机的,对于这些机械,当变频器因发生故障而跳闸时,应能自动切换为工频运行。 ②程序切换有的机械...
阅读更多 -
通用变频器驱动恒转矩负载时,应注意什么问题
变频技术
恒转矩负载的特点是当转速发生变化时,要求转矩应保持恒定,即使转速变化,电动机的电流也基本不变,基本保持恒定,恒转矩负载消耗的功率与转速成正比。 众所周知,采用通用变...
阅读更多 -
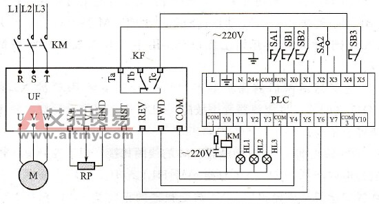
PLC控制电动机正反转控制线路是怎么样的?
变频技术
控制线路如图 8-15 所示。 图 8-15 PLC 的正反转控制线路 ①输入侧。旋钮开关 SA1 用于使 PLC 开始运行;控制按钮 SB1 、 SB2 分别用于接触器 KM 动作与释放;三位旋钮开关 SA2 用于决定电动...
阅读更多 -
对变频与工频的切换过程有什么要求?
变频技术
①切换控制主电路。如图 6-8 所示。 图 6-8 切换控制的主电路 各元器件的功能是: Q- 进线开关; KM1- 将电源接至变频器的输入端; KM2- 将变频器的输出端接至电动机; KM3- 将工频电源直...
阅读更多 -
通用变频器驱动降转矩负载时,应注意什么?
变频技术风机、泵等流体机械,干燥机、冷冻机、吹塑机用鼓风机、分离机用的风机、空调设备等均属于降转矩负载。降转矩负载的特点是负载转矩随转速按二次方关系发生变化,随着转速的降...
阅读更多 -
PLC进行工频与变频的切换控制线路是怎么样的?
变频技术
控制线路如图 8-17 所示。 主电路与继电器控制时完全相同。这里为了使 KM2 和 KM3 绝对不能完全接通,除了在 PLC 内部软件(梯形图)中具有互锁环节外,外部电路中也必须在 KM2 和 KM...
阅读更多 -
怎样避免切换时的冲击电流?
变频技术不同负载的具体措施是不同的。 ①对于大惯性负载。大惯性负载在自由制动过程中,转速下降较慢,可达数秒或数十秒。而电磁反应过程的时间则很短,只有 1s 左右。因此,当电动机...
阅读更多 -
通用变频器驱动恒功率负载时,应注意什么?
变频技术
起重机、传送机械、升降机、电梯、自动扶梯等搬运机械以及一些包装机械、印刷机械、化工机械等均属于恒功率负载。恒功率负载的特点是输出功率为恒定值并与转速无关,转矩随转...
阅读更多
