变频技术
变频技术
-
大楼恒压供水有什么特点?
变频技术
大楼的恒压供水可以采用一主多辅的方式,即由一台容量较大的主泵通过变频调速实现恒压控制,当用水量增加,一台主泵供水量不足时,由几台容量较小的辅助小泵进行补充。 1 .实...
阅读更多 -
变频器通电前应做哪些测试工作?
变频技术
通电前应该做的测试工作主要有: 1 .测量对地绝缘 因为变频器是全电子电路,且低压控制电路和高压控制电路之间不能脱开,在测量绝缘电阻时,必须防止绝缘电阻表的高电压施加到...
阅读更多 -
怎样正确地起动电动机?
变频技术
起动电动机应该和变频器通电分开控制。在图 5-9 (a) 中,接触器 KM1 用于将电源接入变频器,但电动机不起动。 起动电动机或通过继电器 KA 将 FWD 和 COM 接通,或通过按键盘上的 RUN 键...
阅读更多 -
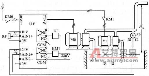
怎样实现恒压供水控制?
变频技术
恒压供水应通过闭环系统的 PID 调节来实现。 1 .变频器的输入控制端 (1) PID 控制的目标信号通道 目标信号从电压给定端 AIN+ 端输入,利用电位器调整给定值。 (2) 反馈信号通道反馈信...
阅读更多 -
变频器通电后应观察什么?
变频技术
应观察的内容主要如下: 1 .显示屏的显示内容 通电前,应先了解正常情况下,显示屏在通电后的显示状态,如图 5 -3 所示。 变频器在刚通电时,都处于运行模式。多数变频器在第一...
阅读更多 -
上电起动的起动过程有什么特点?
变频技术
所谓上电起动,就是通过接通变频器电源来起动电动机。如图 5-10(a) ,外接端子中的 FWD 和 COM 之间始终保持接通状态,接触器 KM1 接通后,在把电源接到变频器的同时,也起动了电动机...
阅读更多 -
怎样实现辅泵的加泵和减泵?
变频技术
答如问题 1 中的基本工况所述,供水系统在运行过程中,需要根据用户的用水情况进行必要的切换。西门子 430 系列变频器进行加、减泵控制的主要特点是:以 PID 的调节量是否超过限值...
阅读更多 -
什么情况下变频器应校验最高频率?
变频技术
模拟量频率给定信号由其他设备(如 PLC )提供时,如图 5-4 (a) 所示,由于测量上的原因,当外部信号为最大值时,变频器的输出频率往往并不等于最高频率。例如,变频器的最高频率...
阅读更多 -
上电起动的主要缺点是什么?
变频技术
如图 5-11 所示,上电起动存在的主要问题有: 1 .限流电阻容易烧坏 在正常起动的情况下,限流电阻只有在变频器通电的瞬间才通过电流。虽然电流较大,但时间极短,属于短时运行状...
阅读更多 -
怎样实现主泵的睡眠与唤醒控制?
变频技术
答在生活供水系统中,夜间的用水量常常是很少的,如果容量较大的泵继续处于运行状态,将导致能源的浪费。为了更好地节约能源,通常的做法是:让容量较大的主泵暂停(睡眠),...
阅读更多
