变频技术
变频技术
-
变频器主电路组成
变频技术
变频器分为交 - 交变频器和交 - 直 - 交变频器两大类。交 - 交变频器是将工频交流电直接变换成电压和频率可调的交流电,也称直接式变频器,而交 - 直 - 交变频器是将工频交流电先通...
阅读更多 -
通用变频器的发展过程
变频技术变频器是将固定频率的交流电变换为频率连续可调的交流电的装置。变频器的问世,使电气传动领域发生了一场技术革命,即交流调速取代直流调速。交流传动与控制技术是目前发展最...
阅读更多 -
变频器整流电路概述
变频技术整流电路是一种将输入的交流电压变换为输出的直流电压的电路。为满足生产的不同需要,人们构造了各种各样的整流电路,其分类方法也有多种。整流电路是最简单的一类电力电子电...
阅读更多 -
变频器的不可控整流电路
变频技术
1 .不可控器件功率二极管 功率二极管是不可控电力电子器件。当其处于正向电压(阳极电位高于阴极电位)作用下,管子两端正偏压很小 ( 约 1V) 时便开始导通,导通后通态压降维持...
阅读更多 -
变频器的单相可控整流电路
变频技术
可控整流电路是一种普遍应用的整流电路,通常由晶闸管作为功率器件。图 3.7 所示为可控整流电路的一般结构。可控整流电路一般由交流电源、整流主电路、滤波器、负载及触发控制...
阅读更多 -
变频器的三相可控整流电路
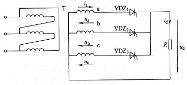
变频技术
由晶闸管构成的单相可控整流电路结构简单,在小功率场合得到了广泛的应用。但单相可控整流电路存在整流输出电压脉动大的缺点,因而在中、大功率场合往往采用三相整流电路。这...
阅读更多 -
变频器应用领域
变频技术变频器的主要应用领域如表 2-2 所示。 表 2-2 变频器的主要应用领域 应用领域 应用方法 原来方式 空调机 采用压缩机调速运转,进行连 续温度控制 采用工频电源的通断 控制 机床、搅...
阅读更多 -
加速时间的定义
变频技术
变频器对加速时间的定义为:变频器的输出频率从 0Hz 上升到基本频率/最高频率所需要的时间。在大多数情况下,最高频率和基本频率是一致的。 加速时间的定义如图 3-2 所示。 图...
阅读更多 -
变频器的中间电路
变频技术
变频器的直流侧是连接变频器整流电路和逆变电路的中间电路部分,主要实现滤波和制动两大功能。整流电路输出的电压是脉动的,需要进行滤波,以获得恒流(电流型)或恒压(电压...
阅读更多 -
变频器的能耗制动和回馈制动方式
变频技术不少生产机械在运行过程中需要快速地减速或停机,而有些设备在生产中要求保持若干台设备前后一定的转速差或者拉伸率,这时就会产生发电制动的问题,使电动机运行在第二或第四...
阅读更多
