变频技术
变频技术
-
变频器驱动电路故障现象
变频技术随着技术的不断发展,驱动电路本身也从插脚式元件的驱动电路发展到光电耦合器(简称光耦)驱动电路,再到厚膜驱动电路,以及集成驱动电路。 通过驱动电路将主控电路中 CPU 所产...
阅读更多 -
变频器对异步电动机的矢量控制方式
变频技术U/f 恒定、速度开环控制方式和转差频率速度闭环控制方式变频器,基本上解决了异步电动机平滑调速的问题。然而,当生产机械对调速系统的动、静态性能提出更高要求时,上述系统还...
阅读更多 -
变频器转矩补偿的设置原则
变频技术变频器在启动或极低速运行时,经常由于 U/f 曲线设置问题导致励磁不足而使电动机不能获得足够的旋转力,因此需要对转矩进行补充补偿。 转矩补偿的设置原则一般有以下几点: (1...
阅读更多 -
变频器分立式元件驱动电路的工作原理
变频技术
由于换流器件的不同,变频器对驱动电路的要求也不同。图 5-12 所示为一典型的变频器驱动电路,它包括隔离放大电路、驱动放大电路和驱动电路电源三部分。 (1) 隔离放大电路。驱动...
阅读更多 -
变频器对异步电动机的直接转矩控制方式
变频技术直接转矩控制是 20 世纪 80 年代中期提出的一种新的控制方法,它是在矢量控制和电流跟踪型 PWM 控制的基础上发展起来的。直接转矩控制也被称为直接自控制,这种直接自控制的思想是...
阅读更多 -
茶叶机变频器过电压的故障现象
变频技术变频器过电压保护是变频器中间直流电压达到危险程度后采取的保护措施,过电压是电压型交 - 直 - 交变频器设计上的一大缺陷,在变频器实际运行中引起过电压的原因较多,本节以茶...
阅读更多 -
变频器分立式元件驱动电路常见故障现象、原因
变频技术
驱动电路无驱动输出信号。可能原因有: 1) 光耦隔离集成电路损坏。光耦隔离集成电路有输入信号,而无输出信号,说明光耦隔离集成电路已经损坏,通常是由于老化、自然损坏等原因...
阅读更多 -
变频器的主电路概述
变频技术变频器的主电路包括整流部分、直流环节、逆变环节、制动或回馈环节等部分。 ①整流部分。通常又被称为电网侧变流部分,其作用是把三相或单相交流电整流成直流电。常见的低压整...
阅读更多 -
茶叶机变频器过电压的原因
变频技术
通用变频器大都为电压型交直一交变频器,三相交流电首先通过二极管不控整流桥得到脉动直流电,再经电解电容滤波稳压,最后经无源逆变输出电压、频率可调的交流电供给电动机。...
阅读更多 -
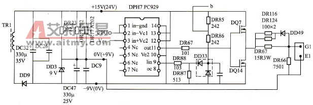
变频器集成芯片式驱动电路工作原理
变频技术
在驱动电路中,集成芯片驱动是比较常见的一种,例如图 5-16 所示的驱动集成电路采用的即是 PC929 集成芯片。开关变压器一次绕组电压经整流滤波后,又经 R 、 WDCDR23 、 DD31 稳压电路分...
阅读更多
