您现在的位置是:首页 > CAD画图 > CAD画图
中望CAD如何绘制立体的三视图
本文转载来源:zwcad.com zwsoft.cn 中望CAD官方教程.如果作者或相关权利人不同意转载,请跟我们联系,我们立即删除文章。2021-05-08
简介一、目的:掌握极轴、对象捕捉、对象追踪来实现视图间长对正、高平齐。 二、内容:绘制如图所示的立体三视图。 三、重难点提示: 1 .夹点编辑、极轴追踪的操作。 夹点编辑:首
一、目的:掌握极轴、对象捕捉、对象追踪来实现视图间长对正、高平齐。
二、内容:绘制如图所示的立体三视图。

三、重难点提示:
1 .夹点编辑、极轴追踪的操作。
夹点编辑:首先选择被编辑对象,出现蓝色句炳,左键点击其中一蓝色句炳,使蓝色句炳变红,可进行拉伸、移动、旋转、镜像操作。
2.对于三视图应多采用对象追踪来绘制,画长对正、高平齐、宽相等很容易且简单,少用偏移命令,多用直线、矩形和移动命令。
四、步骤:
1 .设置绘图环境
( 1 )建立新文件:运行 中望CAD 软件,设置绘图区域: A4 ( 297 × 210 )。
( 2 )设置图层(包括线型、颜色、线宽)
层名 颜色 线型 线宽
粗实线 白色 实线 (CONTINUOUS) 0.5mm
细实线 白色 实线 (CONTINUOUS) 0.25mm
中心线 红色 点画线 (CENTER) 0.25mm
虚线 紫色 虚线( DASHED ) 0.25mm
单击“格式”→“线型”→“线型管理器”的全局比例因子设为 0.5 。
2 .布置视图,完成完整圆柱体的三视图
(1)按下状态栏上的“极轴”、“对象捕捉”、“对象追踪”按钮。
(2)鼠标右击状态栏中“极轴”按钮,选“设置…”选项,在极轴追踪角设置里选择“ 45 °”,在“对象捕捉追踪设置”里选择“沿所有极轴角设置追踪”。
(3)调用“直线”、“圆”、“复制对象”命令并配合对象捕捉追踪绘制完整圆柱体的三视图。如图 2-1 、 2-2 。
3.绘制圆柱体上部的缺口和下部的开槽。
关键操作:
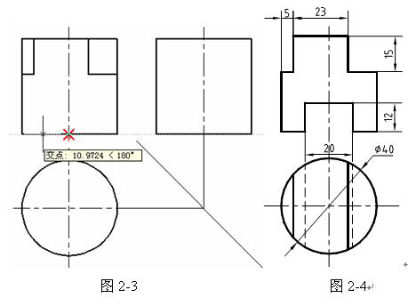
调用直线命令,捕捉交点(不要单击左键),向左移动鼠标输入距离(10)后,回车。如图2-3。利用快速裁命令(Trim)即输入“TR”回车二次,修剪图形。如图2-4。

4 .完成左视图
关键操作:
单击“直线”图标,从俯视图上直线与圆的交点出发,绘制辅助线与 45 °线相交,根据主视图上切口和槽的深度,捕捉追踪,实现高平齐,画出切口与槽的左视图。如图 2-5 、 2-6 。
利用“擦除”命令,删除多余的辅助线,保存文件为“立体三视图 .dwg ”。

点击排行
CAD多种快速移动图形的方法