您现在的位置是:首页 > CAD画图 > CAD画图
中望CAD绘制机械平面图的过程解说
本文转载来源:zwcad.com zwsoft.cn 中望CAD官方教程.如果作者或相关权利人不同意转载,请跟我们联系,我们立即删除文章。2021-05-08
简介使用CAD需要我们了解基本的功能然后比较好的去练习相关的绘制,才能更好的提升自己CAD的使用能力。 1.我们打开中望CAD2018 2.然后新建我们的文件, 3.在开始正式绘图之前,我们需要做
使用CAD需要我们了解基本的功能然后比较好的去练习相关的绘制,才能更好的提升自己CAD的使用能力。
1.我们打开中望CAD2018

2.然后新建我们的文件,

3.在开始正式绘图之前,我们需要做好一些准备工作,先要建立好图层,粗实线,中心线,虚线等,然后根据图纸确定线的粗细。

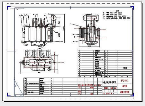
4.我所绘制的是《油浸变压器装配图》,图纸分为三个部分,左视图、主视图和俯视图。我先画的是油浸式变压器俯视图。

5. 我发现它的散热片由四个同样的部分组成于是我使用了外部块(按W进入构建块的模式,选择基准点和对象,修改保存文件名字即可。)来构造。
6. 同样主视图和左视图也有同样的结构我也使用了外部块来画。
构建好外部块以后选择插入中的块来插入。
7.其他部分则由圆、直线、倒角的镜像、平移、修剪等工具来实现,不懂的地方通过询问同学和百度来查找,最终画好各视图后便如下图。

8.书写部件技术参数和保存即可(如下图)

点击排行
CAD多种快速移动图形的方法