您现在的位置是:首页 > 电气技术 > 电气技术
抗晃电交流接触器的工作原理是什么
来源:艾特贸易2017-06-05
简介(1) 采用节能型交流接触器。节能型交流接触器通常具有比较低的保持电压,如 CJ20J 系列交流接触器标称的控制电源吸合电压范围为 (85% ~ 110%)Us 、释放电压范围为 20% ~ 75% (U)s ,采用
(1)采用节能型交流接触器。节能型交流接触器通常具有比较低的保持电压,如CJ20J系列交流接触器标称的控制电源吸合电压范围为(85%~110%)Us、释放电压范围为20%~75% (U)s,采用这种低释放电压水平的交流接触器,可以防止相当一部分电压骤降的晃电造成影响。采用这种方法,虽然也基本能达到70 %Us以下释放电压的水平,但防晃电效果较差,因为节能型交流接触器对于电源短时中断的晃电情况无能为力。还有一种如图11-9所示的CJC20系列自保持节能型交流接触器,是将铁芯原硅钢片改为使用半硬磁钢,利用铁芯剩磁保持吸合,当用反向直流或交流去磁时接触器才释放。此类交流接触器主要用于不频繁操作场合。
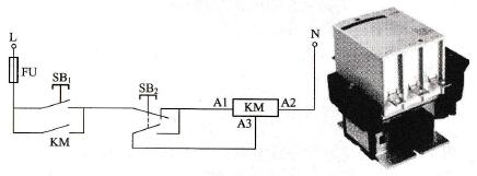
(2)采用专门的防晃电交流接触器的控制电路。FS防晃电交流接触器接线图和外观见图11-10,用于连续性生产作业线,因雷击、短路重合等供电系统发生的瞬间失压、失电(俗称晃电)时保持接触器不会脱扣,而操作接通、分断与常规接触器完全相同。其采用双线圈结构,吸合速度快、强劲有力,在吸合或释放时干净利落,动作特性较好。电源正常状态下,控制模块处于储能状态。接触器的启动与停止与常规接触器一样,当有“晃电”发生使电压降到接触器的维持电压以下时,控制模块开始工作,以储能释放的形式保持接触器继续吸合,避免交流接触器跳闸。当电源电压恢复后,控制模块又转入储能状态。当停止按钮发出正常分闸指令时,正确区分出来,及时分闸。

图11-9 CJC20系列自保持节能型交流接触器

图11-10 FS防晃电交流接触器接线图和外观
由于控制模块使用了特殊的电源转换部件,使得FS接触器的体积和安装结构保持了常规接触器原有的特征,且不依赖辅助工作电源和辅助机械装置,其控制器附加在常规接触器侧面,因而体积小,可靠性高。
点击排行
室内风扇电机和霍尔元件的检测