您现在的位置是:首页 > 电气技术 > 电气技术
电气原理图的绘图原则
来源:艾特贸易2017-08-25
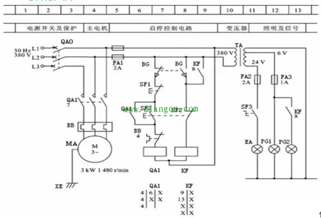
简介1、电气原理图一般分主电路和辅助电路两部分。 2、图中所有元件都应采用国家标准中统一规定的图形符号和文字符号。 3、布局 4、文字符号标注 5、图形符号表示要点:未通电或无外
1、电气原理图一般分主电路和辅助电路两部分。
2、图中所有元件都应采用国家标准中统一规定的图形符号和文字符号。
3、布局
4、文字符号标注
5、图形符号表示要点:未通电或无外力状态
6、线条交叉及图形方向
7、图区和索引
主电路:是电气控制线路中大电流通过的部分,包括从电源到电机之间相连的电器元件;一般由组合开关、主熔断器、接触器主触点、热继电器的热元件和电动机等组成。
辅助电路:是控制线路中除主电路以外的电路,其流过的电流比较小。辅助电路包括控制电路、照明电路、信号电路和保护电路。其中控制电路是由按钮、接触器和继电器的线圈及辅助触点、热继电器触点、保护电器触点等组成。
符号位置的索引
•当一个控制系统有多页图纸时,索引非常有用。
•接触器、继电器的线圈、触点的索引方法


点击排行
室内风扇电机和霍尔元件的检测