您现在的位置是:首页 > 电气技术 > 电气技术
基本R-S触发器电路
来源:艾特贸易2017-11-22
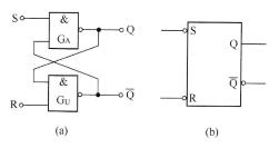
简介基本 R-S 触发器可用两个与非门交叉联接而成,如图 5-20(a) 所示, (b) 是它的图形符号 Q 与 Q 是基本触发器的输出端,两者的逻辑状态在正常条件下保持相反。这种触发器有两种 稳定状
基本R-S触发器可用两个与非门交叉联接而成,如图5-20(a)所示,(b)是它的图形符号Q与Q是基本触发器的输出端,两者的逻辑状态在正常条件下保持相反。这种触发器有两种
稳定状态:一个状态是Q=1,Q=0,称为置位状态(1态);另一个状态是Q=1,Q=0,称为复位状态(0态)。相应的输入端分别称为直接置位端或直接置1端(S);直接复位端或直接置0端(R)。下面分四种情况分析基本R-S触发器输出与输入的逻辑关系。

图5-20基本R-S触发器
1.S=1,R=O
S=1,就是将S端保持高电位,而R=O,就是在R端加一负脉冲。设触发器的初始状态为1态,即Q=1,Q=O。这时与非门GB有一个输入端为0,其输出端变Q为1;而GA的两个输入端全为1,其输出端Q变为0。因此,在S端加负脉冲后,触发器就由1态翻转为0态。如果它的初始状态为0态。触发器仍保持0态不变。
2.S=0,R=1
设触发器的初始状态为0态,即Q=0,Q=1。这时与非门GA有一个输入端为0,其输出端Q变为1;而GB的两个输入端全为1,其输出端Q变为0。因此,在S端加负脉冲后,触发器就由0态翻转为1态。如果它的初始状态为1态。触发器仍保持1态不变。
3.S=1,R=1
假女口在(1)中R由0变为1(即除去负脉冲)。或在(2)中S由0变为1,这样S:R:l,则触发器保持原状态不变,具有存储或记忆功能。
4.S=0.R=0
当s端和R端同时加负脉冲时,两个“与非”门输出端都为1,这就达不到Q与Q的状态应该逻辑相反的要求。当负脉冲除去后,触发器将由各种偶然因素决定其最终状态。这种情况在使用中禁止出现。
从上可知,基本R-S触发器有两个状态,可以直接置位或复位,并具有存储和记忆的功能。在直接置位端加负脉冲(S=0)即可置位,在直接复位加负脉冲(R:0)即可复位。负脉冲除去以后,直接置位端初复位端都处于高电平(平时固定接高电平),此时触发器保持原状态不变,实现存储或记忆功能。但是,负脉冲不可同时加在置位端和直接复位端。基本R-S触发器的状态表见表5-3。
表5-3基本R-S触发器状态表

点击排行
室内风扇电机和霍尔元件的检测