您现在的位置是:首页 > 电气技术 > 电气技术
5.5KW三相异步电动机控制电路图原理及电气元器件选型
来源:艾特贸易2017-11-23
简介5.5KW电动机一般是三相异步电动机,可以说是一个小电机,它的额定电流是11A左右,在大多数情况下,是可以直接启动的。启动开关可以用防护式闸刀开关,也可以用转换开关进行启动
5.5KW电动机一般是三相异步电动机,可以说是一个小电机,它的额定电流是11A左右,在大多数情况下,是可以直接启动的。启动开关可以用防护式闸刀开关,也可以用转换开关进行启动,也可以用交流接触器控制启动。方法很多。下面我来帮你选型:
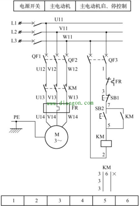
这个图是电动机的基本的连续运行电路图,图中的L1 L2 L3分别代表相线的A B C三相电,QF1 QF2分别是总电源空气开关和电动机的保护空气开关,QF3是控制线路的空气开关,空气具有切断线路的正常电流、过电流和短路电流的能力,具有自动保护功能,有小型空气开关俗称:空开和总制型空气开关俗称:断路器;FR是保护电动机过载的热继电器;KM是电动机启动用的交流接触器,它具有欠、失压保护功能,触头能够切断正常电流和短路电流的能力,和空气开关一样都有灭弧装置,主要是接通电源线路功作用。

5.5KW我们在选型空气开关时候可以选择断路器和空开,一般选择保护电器的额定电流的1.5倍左右,这个例子电动机的电流是11A,断路器或者空开需要用20A的,热继电器整定值是11A,交流接触器用18A。下面我来讲解控制启动过程
当我们依次合上QF3 QF2 QF1空气开关时,按下启动按钮SB2,相线L2电流通过1号线经过热继电器常闭触点变为3号线再经过停止按钮的常闭触点变为7号线至SB2的常开触点(此时由于已经按下按钮,触点状态已经闭合)变为5号线到KM接触器线圈的一端,通过接触器KM的另外一个接线端接到2号线,回到L3相线,这样接触器的电磁线圈得电吸合,KM接触器主触头和辅助触头闭合,电动机运转;当不在按启动按钮时,由于接触器的辅助触头已经闭合,线路仍然处于接通状态,这样电动机就可以连续运转起来;需要停止电动机时,按下停止按钮SB1,切断了控制回路的电路,接触器KM的电磁线圈失电回位,主触头和辅助触头回位,电动机停止运转。
一般情况下我们把3号线叫做电源线,7号线叫做自锁线或者自保线,5号线叫做线圈线或者启动线,这三根线是连接按钮的,很重要。
以上是个人见解,不足之处望大咖斧正!
点击排行
室内风扇电机和霍尔元件的检测