您现在的位置是:首页 > 电气技术 > 电气技术
蓄电池欠电压控制电路
来源:艾特贸易2018-03-26
简介蓄电池放电时,其端电压会随着放电过程而下降。当蓄电池放电到终了电压( 1. 8V/ 只)时,应当立即停止放电,否则将造成蓄电池极板硫化,使其容量显著下降,影响使用寿命,因此
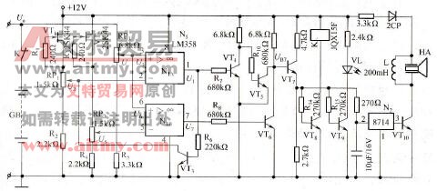
蓄电池放电时,其端电压会随着放电过程而下降。当蓄电池放电到终了电压(1. 8V/只)时,应当立即停止放电,否则将造成蓄电池极板硫化,使其容量显著下降,影响使用寿命,因此,对蓄电池进行欠电压控制十分必要。为此,可采用图18-21所示的蓄电池欠电压控制电路。当电池电压下降到欠电压值时,该电路并不干扰升压过程的进行。在串接蓄电池数量改变时,该控制电路可以灵活地调整欠电压控制点。由于该电路能区别升压、降压,并专门针对欠电压实施控制,所以能广泛用于各种欠电压控制电器装置。

图18-21 蓄电池欠电压控制电路
VT1和R1、VT2和R3构成恒流源电路,在RP1、R2和RP2、R4上产生稳定的可调基准电压U2和U5。该基准电压是根据欠电压控制点的要求而调定的。N1中的两只运放N1A、N1B接成电压比较器,其同相端信号来自蓄电池(或其他被控电路)电压采样电路RP3,其反相端即为基准电压U2和U5。VT3为基准电压U2的基准变换电路,当VT3饱和时,U2=0.3V。设起始基准电压U2=U5=UR。在蓄电池初充电时,电压开始上升,蓄电池采样电压U3= U6<UR,这时,运放比较器输出电压U1、U7为低电平,VT3截止,VT4和VT6也截止,而VT5饱和导通,因此UB7为低电平;当蓄电池电压升高,其采样电压U3=U6> UR时,U1和U7跳变为高电平,VT3饱和导通,使基准电压U2=0. 3V,同时,VT4和VT6也饱和导通,使UB7维持低电平。升压一经超过欠电压,以后无论电池电压怎样升高,UB7始终维持在低电平。只有在蓄电池放电、电压开始下降并低于欠电压控制点时,U3=U6≤UR,这时,由于基准电压U2已变换为0.3V,所以U1为高电平,使VT4饱和导通,VT5截止;而U7变为低电平,则VT6截止;只有当VT5、VT6都截止时,UB7才输出高电平。
VT7为射极输出器,当UB7为高电平时,VT7导通,驱动VT8导通,从而使继电器K得电吸合,其常闭触点断开,切断蓄电池充电电路,实现欠电压控制。
要使电路能够重复工作,必须要求起始基准电压U2复位,即U2≠0.3V,而复位为U2=UR。要做到这一点,只要Uo=0V,即把蓄电池采样电路断开一下即可,而继电器K触点动作时,蓄电池被断开,也就自动起到复位作用了。
该电路也能输出欠电压声光报警:当VT7导通时,即驱动VT9导通,使发光二极管VL发光;同时驱动音乐三极管8714,压电蜂鸣器HA便发出音乐报警声。
(作者稿费要求:需要高清无水印文章的读者3元每篇,请联系客服,谢谢!在线客服:
)
点击排行
室内风扇电机和霍尔元件的检测