您现在的位置是:首页 > 电气技术 > 电气技术
同步电动机晶闸管励磁装置线路是怎样的
来源:艾特贸易2018-07-29
简介目前,同步电动机基本上都采用晶闸管励磁装置励磁。晶闸管励磁装置有采用三相半控桥式和全控桥式的,也有采用单相半波式和全波式的,但它们的基本原理是类同的。 采用单相半波
目前,同步电动机基本上都采用晶闸管励磁装置励磁。晶闸管励磁装置有采用三相半控桥式和全控桥式的,也有采用单相半波式和全波式的,但它们的基本原理是类同的。
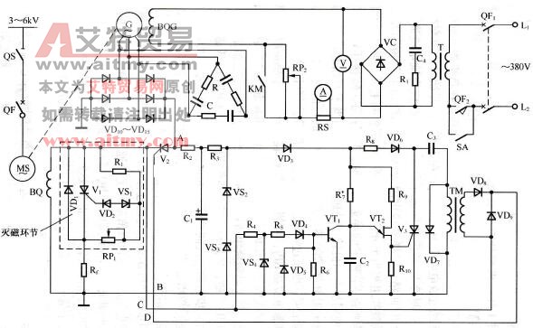
采用单相半波式晶闸管励磁装置的线路如图50所示。

图50 同步电动机晶闸管励磁装置线路
工作原理:合上主电路隔离开关QS和油断路器QF,合上控制回路电源开关QF1,同步电动机MS开始全压异步起动,灭磁环节开始工作。灭磁环节由续流二极管VD1、晶闸管V1、二极管VD2、稳压管VS1、电位器RP1和电阻R1组成。
同步电动机起动时,转子产生感应电压。在负半周,感应的交流电流经过放电电阻RF和VD1;在正半周,开始时感应交变电压未达到晶闸管V1整定的导通开放电压前,感应交流电流通过R1、RP1及Rf回路,这样外接电阻为转子励磁绕组电阻值的几千倍,所以励磁绕组相当于开路起动,感应电压急剧上升。当其瞬间值上升至晶闸管V1整定的导通电压时,V1导通,短接了电阻R1和RP1,使同步电动机转子励磁绕组BQ从相当于开路起动变为只接入放电电阻Rf起动,因此转子感应电压的峰值就大为减弱,直至此半周结束。电压过零时,V1没有维持电流而自行关闭。
调整电位器RP1,可使晶闸管V1在不同的转子感应电压下导通工作,接入放电电阻Rf。可见,同步电动机在起动过程中,随着转子加速,转子励磁绕组所产生的感应交变电压半周经晶闸管V1、放电电阻Rf灭磁,半周经续流二极管VD1、放电电阻Rf灭磁。
由异步起动转入同步运行的过程如下:交流励磁发电机G的励磁绕组BQG得到励磁电流,随着同步电动机的加速,G输出的电流经三相整流桥VD10~VD15整流送到A、B两点。
同步电动机在整个起动过程中,其转子励磁绕组BQ所感应出的交变电压的频率和幅值随转子转速的升高而下降,Rf上的压降减小。同步电动机刚起动时,BQ感应出的交变电流在Rf上的压降大。此时电压降按转差率正负交变,是整步投励控制环节的信号源。这个信号经电阻R4降压、稳压管VS4削波、电阻R5限流后,送到三极管VT1的基极。
在同步电动机被牵入同步运行前,负半周时(即C端为负、B端为正),三极管VT1因无基极电流而截止。此时电容C2经电阻R7被充电,但尚未达到单结晶体管VT2的峰点电压,故VT2截止。在正半周时,VT1得到基极偏压而导通,C2即经VT1放电,故VT2仍截止。
当同步电动机被加速到准同步速度(即95%额定转速,转差率S=0.05)时,转子感应的电压不足以使晶闸管V1导通而关闭。由于转子励磁绕组感应出的交变电压的频率为每秒2.5周,负半周的延续时间比较长,电容C2的充电时间延长了。C2两端电压达到的单结晶体管VT2的峰点电压时,VT2导通,由VT2等组成的弛张振荡器发出脉冲信号,晶闸管V3触发导通。电容C3在VT2未导通前已通过电阻R2、R3、R8以及二极管VD3、VD6、VD7充电。当V3导通时,C3便通过脉冲变压器TM迅速放电,TM发出强脉冲,使晶闸管V2解发导通。此时将励磁电流送入同步电动机的转子励磁绕组,同步电动机被牵入同步运行。
图中,二极管VD3~VD6、VD8、VD9起保护隔离作用,以防止投励环节中各元件受暂态过电压作用而损坏;二极管VD7构成C3的充电回路,同时它又能防止脉冲变压器TM的初级绕组出现过电压;电阻R6用以保证三极管VT1可靠截止。
(作者稿费要求:需要高清无水印文章的读者3元每篇,请联系客服,谢谢!在线客服:
)
点击排行
室内风扇电机和霍尔元件的检测