您现在的位置是:首页 > 电气技术 > 电气技术
扶梯电气系统原理介绍
来源:艾特贸易2017-03-17
简介自动扶梯由梯级、曳引链、驱动装置、梯路导轨、金属骨架、梳齿前沿板、扶手装置、润滑系统等组成。它以单速低噪声大起动转矩的三相异步电动机作为动力,通过减速机械驱动主轴
自动扶梯由梯级、曳引链、驱动装置、梯路导轨、金属骨架、梳齿前沿板、扶手装置、润滑系统等组成。它以单速低噪声大起动转矩的三相异步电动机作为动力,通过减速机械驱动主轴轮,带动曳引链转动。曳引链带动梯级运动,使梯级主轮沿着梯路导轨转动,这样就使梯级进行上升或下降运行。自动扶梯按控制元器件的不同,可分为继电接触器控制式、电子式和微机式等几类,下面电工之家以继电接触器控制式自动扶梯为例进行分析。

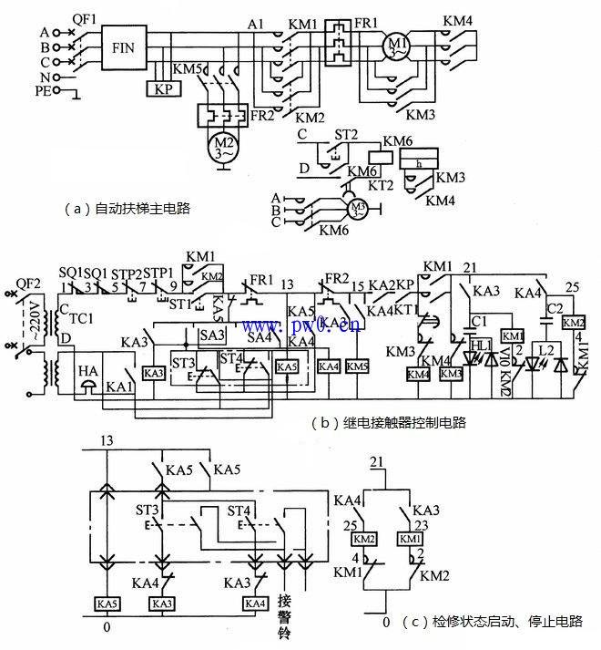
自动扶梯控制系统由主电路、控制电路、保护电路和电源 四部分组成。下图 (a)是自动扶梯的主电路,图(b) 是其继电接触器控制电路,其所用电气元件见下面列表。

自动扶梯主电路、控制电路图 自动扶梯电气元件列表:
•QF1:空气断路器;
•KP:相序继电器;
•M1:驱动三相异步电动机;
•M2:制动电动机;
•M3:润滑液压泵电动机;
•KM1:M1正转接触器(上升);
•KM2:M1反转接触器(下降);
•KM3:△三角形连接接触器;
•KM4:Y星形连接接触器;
•KM5:制动控制接触器;
•KM6:润滑液压泵接触器;
•FR1:驱动电动机热继电器;
•FR2:制动电动机热继电器;
•QF2:控制电源断路器;
•T1:控制电源变压器;
•SQ1~SQn:保护用传感继电器或行程开关常闭触点;
•STP1、STP2:停止按钮;
•SA3、SA4:上行/下行选择开关;
•KA1:故障报警中间继电器;
•KA2:制动器松开到位中间继电器;
•KA3:上行中间继电器;
•KA4:下行中间继电器;
•KA5:极点高度中间继电器;
•KT1:KM5所带动空气阻尼器常闭延时断开触点,作Y-△切换延时;
一、主电路分析:如图(a)所示,其主电路由KM3、KM4控制驱动电 动机M1进行Y-△降压起动,并且KM1、KM2控制Ml的正反转运转,以拖动扶梯上行和下行。M2为制动电动机,M3为润滑液压泵电动机。相序继电器KP作相序保护,热继电器FR1、FR2作M1和M2的长期过载保护。
二、控制电路分析:闭合断路器QF1,电源指示灯(绿灯)亮,表明电源接通,相序继电器KP检查相序正确时,常开触点KP闭合。如图(b)所示,将选择开关SA3和SA4打到所需方向上(例如在“上行”方向位置),然后将钥匙插入开关ST1,这时KA3、KA5得电,KM5主触点闭合,使制动电动机M2起动。带动液压装置使闸瓦制动器松开,制动轮自由。由于制动轮与主拖动电动机M1是同轴连,也使Ml处于自由状态,为其起动做好准备。当液压装置使闸瓦松开到一定位置时,装在液压装置中连杆上的磁钢与接近开关SQ15 (图中未画出)径向距离在8mm之内,或者横向靠近SQ15的边缘,接近开关动作,使中间继电器KA2 (图中未画出)动作,其常开触点闭合,使KM4得电,其主触点闭合,将Ml接成Y形起动。由于KM5线圈得电,衔铁也同时带动空气阻尼器开始延时,延时3~5s后,其常闭延时断开触点KT1断开,使KM4断电释放,其常闭触点闭合,使KM3得电,电动机M1接成△三角形继续起动并运行。
当需要停止时,按下停止按钮STP,切断控制电路电源,控制电路中各接触器的中间继电器断电,主触点断开,使M1、M2断电,停止转动。同时制动器抱闸制动,使自动扶梯停止运行。
三、保护环节:自动扶梯应设置的保护很多,如对驱动链断条、梯阶下沉、梳齿板移位、曳引链断、扶手带进入口异物进入、扶手带断带等故障进行的保护。在出现上述故障时,自动扶梯应能及时切断控制电源,迅速停机,以免发生人身伤亡事故,损坏扶梯零部件。该电路将故障检测开关SQ1~SQn的常闭触点串在控制电路中,一旦发生上述某一个故障,检测开关SQn马上能检测到,并断开其常开触点,切断控制电路电源,使电动机Ml、M2停止转动,闸瓦抱闸。此外,自动扶梯还设有电动机过载保护、相序保护、断相保护、正反转互锁、Y-△互锁保护。
四、检修与调试控制:当检修调试盒接入时,图(c)点划线框内的器件接入,中间继电器KA5通电,其常开触点KA5闭合,控制电路转换为检修调试工作状态。
如果按下上行按钮ST3,则继电器KA3通电,其常闭触点KA3断开,常开触点闭合,使KM5得电,电动机M2转动。先松开闸瓦制动器,到位后KA2得电,其常开触点闭合,进行Y-△切换起动运行,同时ST3的另一个触点接通警铃回路进行报警。当断开上行按钮ST3时,因KA3没有自锁,KA3断电,扶梯停止运行,这就是点动状态。同理,当按下下行按钮ST4时作下行运行,也是点动操作方式。当检修调试结束时,将检修盒拔出,中间继电器KA5断电,其常闭触点闭合,以供正常运行状态控制。
点击排行
室内风扇电机和霍尔元件的检测