您现在的位置是:首页 > 电气技术 > 电气技术
物理学简单电路图讲解
来源:艾特贸易2017-03-18
简介简化电路图的方法 (1)支路电流法: 电流是分析电路的核心。从电源正极出发顺着电流的走向,经各电阻外电路巡行一周至电源的负极,凡是电流无分叉地依次流过的电阻均为串联,凡
简化电路图的方法
(1)支路电流法:
电流是分析电路的核心。从电源正极出发顺着电流的走向,经各电阻外电路巡行一周至电源的负极,凡是电流无分叉地依次流过的电阻均为串联,凡是电流有分叉地依次流过的电阻均为并联。
(2)节点跨接法:
将已知电路中各节点编号,按电势由高到低的顺序依次用1、2、3……数字标出来(接于电源正极的节点电势最高,接于电源负极的节点电势最低,等电势的节点用同一数字,并合并为一点)。然后按电势的高低将各节点重新排布,再将各元件跨接到相对应的两节点之间,即可画出等效电路。
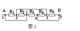
例:由5个1Ω电阻连成的如图1所示的电路,导线的电阻不计,则A、B间的等效电阻为________Ω。
策略:本题采用节点法,就是将图示电路中的节点找出来,凡是用导线相连的节点可认为是同一节点,然后假设电流从A端流入,从B端流出的原则来分析电流经过电路,则各电阻的连接形式就表现出来了。
解析:按从A到B的顺序把5个电阻分成R1、R2、R3、R4、R5,其节点标示如图2所示。由于节点R2、R3间和A点是用导线相连,这两点是等势点,故两节点可用同一个数字1标出,当电流从A点流入时可以同时流向电阻R1、R2、R3,从电阻R1和电阻R2流出的电流汇合于2点,到达R4和R5间的节点,故R4和R5间的节点也用2标出,R3、R4间的节点和B点间是导线相连,也是等势点,故均用3标出,电流再从电阻R4和电阻R5经节点3流出,而流向电阻R3的电流则直接经节点3流出,简化后其等效电路如图3所示。
故AB间的总电阻为0.5Ω。
小结:在分析电路时,首先应找出各个节点,凡是用导线相连的两节点是等势点(当两节点间连有电阻可以忽略或理想的电流表时),可以等效为一个节点,连在两个相邻的节点间的电阻是并联的(如图2中的电阻R1和电阻R2,电阻R4和R5),当把最基本的电路等效后,再对高一级电路进一步分析,即电阻R1和电阻R2并联后与电阻R4和R5并联后串联,之后再与电阻R3并联,这种逐级分析的方法在分析等效电路中是很有效的。
点击排行
室内风扇电机和霍尔元件的检测