您现在的位置是:首页 > 电气技术 > 电气技术
现场可编程门阵列基础知识及工作原理
来源:艾特贸易2017-03-18
简介无论你使用图形化设计程序,ANSI C语言还是VHDL语言,如此复杂的合成工艺会不禁让人去想FPGA真实的运作情况。在这个芯片中的程序在这些可设置硅片间到底是如何工作的。本文会使非
无论你使用图形化设计程序,ANSI C语言还是VHDL语言,如此复杂的合成工艺会不禁让人去想FPGA真实的运作情况。在这个芯片中的程序在这些可设置硅片间到底是如何工作的。本文会使非数字化设计人员明白FPGA(现场可编程门阵列)的基础知识及其工作原理。此信息在使用高端设计工具时同样十分有用,希望可以为理解这一特别技术提供一些线索。 1. FPGA-现场可编程门阵列 每一块FPGA芯片都是由有限多个带有可编程连接的预定义源组成来实现一种可重构数字电路。
图1.FPGA不同构成
FPGA芯片说明书中,包含了可编程逻辑模块的数量、固定功能逻辑模块(如乘法器)的数目及存储器资源(如嵌入式RAM)的大小。FPGA芯片中还有很多其它的部分,但是以上指标通常是为特定应用选择和比较FPGA时,最重要的参考指标。 在最底层,可配置逻辑模块(如片或逻辑单元)有着两种最基本的部件:触发器和查找表(LUT)。这很重要,因为各种FPGA家族之所以各不相同,就是因为触发器和查找表组合的方式不同。例如,Virtex-II 系列的FPGA ,它的片具有两个查找表和两个触发器,而Virtex-5 FPGA的片具有4个查找表和4个触发器。查找表本身的结构也可能各不相同(4输入或6输入)。关于查找表工作原理的更多信息将在后面的章节中给出。 表1中列出了在NI LabVIEW FPGA硬件目标中使用的FPGA的指标。逻辑门的数量是一种将FPGA芯片与ASIC技术进行比较的传统方法,但是它并不能真实地表述FPGA内部的独立单元的数量。这就是Xilinx公司没有在新型Virtex-5系列中指定逻辑门数量的原因之一。
表1.不同系列FPGA源规格
为了更好地理解这些规格的意义,将编码考虑为合成的数字电路模式。对任何一段合成代码,或图形化或文本形式,都有相应的电路图反映逻辑组件该如何连线。通过一段简单布尔逻辑电路了解下相应的示意图。图2表示的是传递5个布尔信号并且可图形化计算所得的二进制值的功能组。
图2.载入5个信号的简单布尔逻辑
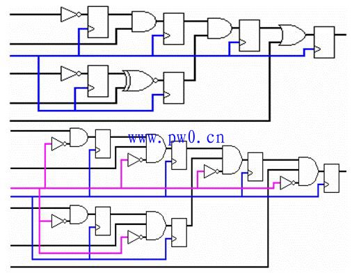
在通常情况下(LabVIEW SCTL—单周期定时环路外),图2所示相应电路图同图3所示相近。
图3.为图2中布尔逻辑的相应电路图
虽然很难明白,但是实际上这里创建了两个并行分支的电路。最上面的5条黑线被反馈到第一个分支,它在每个布尔操作间添加了触发器。最下面的5条黑线构成了第二个逻辑链。其中一支路在每步操作之间增加了同步寄存器,另一条逻辑链是确保执行数据流的。本电路图正常工作时总共需要12个触发器和12个查找表。
点击排行
室内风扇电机和霍尔元件的检测