您现在的位置是:首页 > 电气技术 > 电气技术
PT经常烧怎么办 烧PT的解决方法
来源:艾特贸易2017-03-18
简介PT经常烧怎么办 烧PT的解决方法 电力系统中的PT就是电压互感器。 电压互感器的作用是:把高电压按比例关系变换成100V或更低等级的标准二次电压,供保护、计量、仪表装置使用。同时
PT经常烧怎么办 烧PT的解决方法
电力系统中的PT就是电压互感器。
电压互感器的作用是:把高电压按比例关系变换成100V或更低等级的标准二次电压,供保护、计量、仪表装置使用。同时,使用电压互感器可以将高电压与电气工作人员隔离。电压互感器虽然也是按照电磁感应原理工作的设备,但它的电磁结构关系与电流互感器相比正好相反。电压互感器二次回路是高阻抗回路,二次电流的大小由回路的阻抗决定。
当二次负载阻抗减小时,二次电流增大,使得一次电流自动增大一个分量来满足一、二次侧之间的电磁平衡关系。可以说,电压互感器是一个被限定结构和使用形式的特殊变压器。如果在线路上接入电压互感器变换电压,那么就可以把线路上的低压和高压电压,按相应的比例,统一变换为一种或几种低压电压,只要用一种或几种电压规格的仪表和继电器,例如通用的电压为100V的仪表,就可以通过电压互感器,测量和监视线路上的电压。
一、PT问题原因分析:
电网系统内部由于非线性负载造成较大的电流谐波分量(3、5次谐波分量较大),而原设计采用的PT.0.5级100VA(不排除PT励磁特性差)在电流谐波的作用下很容易使铁芯进入铁磁深饱和区,励磁电流增大,感抗下降,引发铁磁谐振,会在PT一次绕组出现数安培到十几安培幅值的瞬间涌流,从而烧断PT0.5A高压熔丝。
电站10KV系统采用中性点不接地方式,其母线系统上的Y0接线的PT是中性点不接地电网对地的唯一金属通道,因此电网相对地电容的充、放电途径必然通过PT一次绕组,PT的励磁电感和系统对地电容形成L-C回路,从而引发铁磁谐振而出现饱和过电压,并将由通常的工频位移过电压转化为谐波振荡过电压,使PT的励磁电流可达额定励磁电流的几倍到十几倍,造成PT的高压熔丝一相或两相或三相熔断,甚至使PT因严重过热而烧毁。
电网系统相对地电压不平衡、不稳定、三次谐波电流的出现,或所用三相PT伏安特性相差过大,造成PT剩余绕组开口电压升高。
PT烧坏均是过电压造成。谐振的结果也是产生过电压。
过电压分为:1、雷击过电压(大气过电压);2、单项弧光接地过电压;3、操作过电压;4、谐振过电压(一次系统谐振和PT铁心饱和谐振)。
由于普通的PT在过电压达到2.8倍时,就会发生铁心饱和发生谐振又产生过电压,引起PT绝缘击穿烧毁PT。
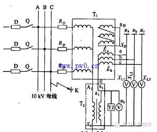
1.10kV三相五柱式电压互感器,由于在运行中,系统经常会发生单相接地故障,尤其是在雷雨季节,经常发生线路落雷、绝缘子闪络等故障,导致互感器产生铁磁谐振现象,由此产生的谐振过电压将会导致互感器高压熔断器熔断,甚至烧毁互感器。----摘自《实用供配电问答》。对策就是加消谐器。
2.消谐装置装在二次侧,一次侧加消谐器或用抗谐波互感器,双管齐下。
3.极性接错不会烧PT,如极性接错则开口三角形端电压为三十几伏,多数是开口三角形短接。
4.开口三角的AX,DX都接地了,线路发生接地后,开口三角被短电流是无穷大的,所以烧毁,但如果线路不发生接地,压变肯定是不会烧毁的,以后你们要测量开口处的电压,如果在2-3伏的,那是正确的,如果没有那肯定短了,其它二次短掉压变是不会烧毁的,应该烧高压熔丝,而开口三角没有熔丝保护,所以只能烧压变了。
5.电压是不是太低,导致电流太大所以烧坏PT ,建议查看如下项目:电压,电流,保险丝是不是匹配,PT是不是不良。
(1) 接线方式存在问题。6 kV公用ⅡB段负荷中,锅炉检修变及燃料(二)路电源2个负荷的电缆太长且容易接地,使母线及其有电联系的系统的等值电容增大(包括其它负荷各相对地电容在内),为共振创造条件。
(2) 电路中。6 kV公用ⅡB段系统中性点不接地,但其PT高压侧中性点是接地的,且PT的铁芯电感的起始值和等值电容组成的自振频率小于并接近于共振频率。因此,电路中的电感减小或等值电容增大,都能引起共振。即电路中的非线性电感的变化范围不够大。
(3) 激发原因。6 kV公用ⅡB段负荷中,锅炉检修变及燃料(二)路电源2个负荷380 V侧母线上的小电机比较多,操作与切换频繁,且工作条件恶劣,容易造成单相接地、单相断线等,为共振创造条件。
(4) 2次PT烧毁都是在某一负荷某一相接地后发生的。图1为6 kV C相接地状态接线,图中电源代表变压器(中性点不接地);CA、CB、CC为三相对地等值电容:LA、LB、LC代表电压互感器一次侧的3个线圈电感。当C相接地时,系统的等值电路如图2所示。因为CC和LC被短路,失去作用(在图中没有示出),LA和CA(对LB、CB也同样分析),组成一并联回路,其上作用电压为UCA= 3 UX,即A相PT初级所受电压比正常运行时的电压升高3倍。
由于电压互感器为铁芯线圈,且与电容并联,构成因参数配合而可能产生铁磁谐振的电路。在单相接地瞬间,使电容和电感电流增加,加上铁芯饱和,使总电流起很大变化,引起共振。这种并联电路发生电流铁磁共振时,使电压互感器的一次侧线圈的电流增大十几倍,但其电流值尚未达到电压互感器高压保险熔断值,故高压保险未熔断。但电流又超过额定值,长时间过电流的作用,致使PT烧毁。
二、处理措施
(1) 在电压互感器次级的开口三角形侧接上一个电阻,数值约几十欧,要小于0.45 Xj(Xj是PT归算到低压侧的工频激磁感抗),或接一个灯泡在开口三角形上或在PT二次回路上安装消谐装置。
(2) 在母线上接入一定大小的电容器(Xc),使比值XC/XL
(3) 6 kV公用ⅡB段负荷分布很不合理,锅炉检修变及燃料(二)路电源2个负荷的电缆太长、中间接头多且容易接地或断线。必须改变ⅡB段的负荷分布,达到改变其对地等值电容的目的。
(4) 值班人员平时必须密切监视该段的接地情况,在系统发生谐振时,迅速改变该段的负荷分布,以破坏谐振条件。
(5) 采用质量较好、铁芯不易饱和的电压互感器,或改变电压互感器的接线方式。
三、PT问题预防措施:
1.建议使用二次输出容量较大的PT,如计量级0.2~0.5时选用150~200VA以上容量的产品,或带有防铁磁谐振装置的PT。
2.建议用户的PT柜配置过电压吸收装置或避雷器加一次消谐器。
3.采购PT时,应对互感器厂家提出:如果是单独的PT,三只伏安特性基本一致的PT应编成一组,并做好相应的标识,(成套装配时应装于同一台PT柜内,质量部门监督);如果是三相组合式的且铁芯是分立的PT,应保证三相伏安特性一致,出厂试验报告中应有剩余绕组开口电压测量值,此值不大于5V。
四、采购要求:
1.单独的PT,要求互感器厂家把三只励磁特性基本一致的PT编成一组(不超过15%),并做好相应的标识(可以是三个相同标识或编号的编成一组,如三个1#、三个2#…),且试验报告提供励磁特性试验数据。
2.三相组合式的PT,要求互感器厂家制造时保证以下几点:
1)、相之间伏安特性应基本一致。
2)、三相电压对称空载运行时、三相电压不平衡在±5%时,继保电压Uj2n≤10V。
3)、缺一相空载时,继保电压Uj2n≤50V。
4)、单相接地空载时,继保电压Uj2n=100V±5V。
5)、试验报告提供以上测试数据。
点击排行
室内风扇电机和霍尔元件的检测