您现在的位置是:首页 > 电气技术 > 电气技术
摇表的结构原理与使用方法图解
来源:艾特贸易2017-03-18
简介一.摇表的结构与原理 1)摇表的种类 手摇式摇表 电动式摇表 1.手摇式摇表的分类与结构 摇表也称兆欧表,主要用于测量电气设备的绝缘电阻。摇表的额定电压有500、1000、2500V等几种。
一.摇表的结构与原理
1)摇表的种类
手摇式摇表
电动式摇表
1.手摇式摇表的分类与结构
摇表也称兆欧表,主要用于测量电气设备的绝缘电阻。摇表的额定电压有500、1000、2500V等几种。
500v摇表
1000v摇表
2500v摇表
2)摇表的结构
摇表由一个手摇发电机、表头和三个接线柱(即l:线路端、e:接地端、g:屏蔽端)组成。
二.摇表的工作原理
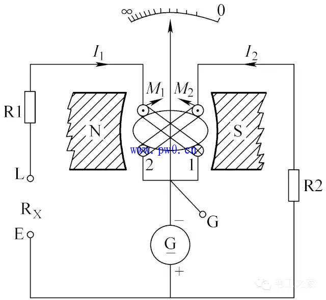
1、被测电阻Rx接在“L”与“E”端钮之间。
2、摇动直流发电机的手柄,发电机两端产生较高的直流电压,线圈1和线圈2同时通电。
当以120转/分速度均匀摇动手柄时,表内的直流发电机输出该表的额定电压,在线圈1与被测电阻间有电流I1,在线圈2与表内附加电阻R2有电流I2,两种电流与磁场作用
产生相反的力矩,当I1电流最大(即被测电阻为0),指针指向刻度0。当I2电流最大(即开路状态),指针指向刻度无穷大∝,当被测电阻为一定值时,指针指在被测电阻的数值,
二:摇表的使用方法
1.摇表的选择
1)摇表的额定电压一定要与被测电气设备或线路的工作电压相适应。一般额定电压在500伏以下的设备,选用500伏或1000伏的摇表;额定电压在500伏及以上的设备,选用1000~2500伏的摇表。
2)摇表的测量范围要与被测绝缘电阻的范围相符合,以免引起大的读数误差。
2、摇表的使用
1)摇表的接线
摇表有三个接线端钮,分别标有L(线路)、E(接地)和G(屏蔽)。
当测量电力设备对地的绝缘电阻时,应将L接到被测设备上,E可靠接地即可。
2)摇表的检查
开路试验
在摇表未接通被测电阻之前,摇动手柄使发电机达到120r/min的额定转速,观察指针是否指在标度尺“∞”的位置。
短路试验
将端钮L和E短接,缓慢摇动手柄,观察指针是否指在标度尺的“0”位置。
3、摇表的使用
(1)观测被测设备和线路是否在停电的状态下进行测量。并且摇表与被测设备间的连接导线不能用双股绝缘线或绞线,应用单股线分开单独连接。
(2)将被测设备与摇表正确接线。摇动手柄时应由慢渐快至额定转速120r/min。
(3)正确读取被测绝缘电阻值大小。同时,还应记录测量时的温度、湿度、被测设备的状况等,以便于分析测量结果。
4、常用电气设备的摇测方法详解
(1)测量照明或电力线路对地的绝缘电阻
将摇表接线柱的(E)可靠接地,(L)接到被测线路上。按顺时针方向摇动摇表的发电机手把,转速由慢变快,转速达120/分钟匀速摇动,约一分钟后发电机转速稳定时,表针也稳定下来,这时表针指示的数值就是所测得的绝缘电阻值。测量方法如图1所示。
图1测量照明线路绝缘电阻或电力线路绝缘电阻
(2)测量电机的绝缘电阻
将摇表接线柱的(E)接机壳。(L)接到电机绕组上,以120转/分的速度摇动摇表手柄。指针稳定后读数。测量方法如图2所示。
图2测量电机的绝缘电阻
(3)测量变压器各相线圈绝缘电阻
1)测量各相线圈对地绝缘电阻时,将绕组的导线接摇表“L”接线柱,将设备外壳和铁芯接摇表“E”接线柱,瓷瓶外表接于“G”接线柱。测量方法如图3所示。
2) 测量绕组的相间绝缘电阻时,用摇表的(L)接线柱和(E)接线柱分别接任意两根导线,分别测量相间绝缘电阻。
图3测量变压器各相线圈绝缘电阻
(4)测量电缆的绝缘电阻
1)铠装电缆
测量电缆相对地的绝缘电阻时:将被测两端分别接(E)和(L)两接线柱,将(G)接线柱引线接到电缆壳芯之间的绝缘层上。测量方法如图4所示。
测量电缆相对相绝缘时:被测其中一相接“L”接线柱,将另外的任意一相接摇表“E”接线柱,转动摇表,即测得相间绝缘电阻值,用同样的方法测另二相间绝缘电阻值。测量方法如图5所示。
图4 测量电缆相对地的绝缘电阻
图5 测量电缆相对相绝缘
2)橡套电缆
测量橡套电缆的对地绝缘电阻时,将摇表“L”用连线接在主芯线上,再将接地端钮“E”接在接地芯线上,并用导线连接橡胶护套后,另一端接在摇表的“G”接线柱上,转动手柄,测出相对地绝缘电阻值。测量方法如图6所示。
测量相间绝缘电阻时,可分别将两端“L”和“E”分别接任意两相芯线,即可测出相间绝缘电阻值。测量方法如图7所示。
图6测量橡套电缆的对地绝缘电阻
图7 测量相间绝缘电阻
5.摇表使用时的注意事项
1、使用摇表测量高压设备绝缘,应由两人担任。
2、应视被测设备电压等级的不同选用合适的绝缘电阻测试仪。
3、测量用的导线,应使用绝缘导线,其端部应有绝缘套。
4、摇表与被测设备之间应使用单股线分开单独连接,并保持线路表面清洁干燥,避免因线与线之间绝缘不良引起误差。
5、测量绝缘时,必须将被测设备从各方面断开,验明无电压,确实证明设备无人工作后,方可进行。在测量中禁止他人接近设备。
6、在测量绝缘前后,必须将被试设备对地放电。被测设备必须与其他电源断开,以保护设备及人身安全。
7、测量线路绝缘时,应取得对方允许后方可进行。
8、在有感应电压的线路上 (同杆架设的双回线路或单回路与另一线路有平行 段)测量绝缘时,必须将另一回线路同时停电,方可进行。
9、在带电设备附近测量绝缘电阻时,测量人员和摇表安放位置,必须选择适当,保持安全距离,以免摇表引线或引线支持物触碰带电部分。移动引线时,必须注意监护,防止工作人员触电。
10、摇测时,将摇表置于水平位置,摇把转动时其端钮间不许短路。摇测电容器、电缆时,必须在摇把转动的情况下才能将接线拆开,否则反充电将会损坏摇表。
11、摇动手柄时,应由慢渐快,均匀加速到120r/min,并注意防止触电。摇动过程中,当出现指针已指零时,就不能再继续摇动,以防表内线圈发热损坏。
12、为了防止被测设备表面泄漏电阻,使用摇表时,应将被测设备的中间层(如电缆壳芯之间的内层绝缘物)接于保护环。
13、禁止在雷电天气或在邻近有带高压导体的设备处使用摇表测量。
三:关于绝缘电阻测量的几个问题
.
1、实施绝缘电阻测试的目的是什么?
答:a. 了解绝缘结构的绝缘性能;由优质绝缘材料组成合理的绝缘结构或绝缘系统,应该具有良好的绝缘性能和较高的绝缘电阻值。
b. 了解电器产品绝缘性能状况;电器产品绝缘处理不佳,其绝缘性能将明显下降。
c. 了解绝缘受潮及受污染情况;当电气设备的绝缘受潮及受污染后,其绝缘电阻通常会明显下降。
d. 检验绝缘是否承受耐电压试验;若在电气设备的绝缘电阻低于某一限值时进行耐电压测试,将会产生较大的试验电流,造成热击穿而损坏电气设备的绝缘。因此,通常各式各样试验标准均规定在耐电压试验前,先测量绝缘电阻。
.
2、为什么测绝缘时,不但要求测单纯的阻值,而且还要求测吸收比、极化指数,有什么意义?
答:在绝缘测试中,某一个时刻的绝缘电阻值是不能全面反映试品绝缘性能的优劣的,这是由于以下两方面原因,一方面,同样性能的绝缘材料,体积大时呈现的绝缘电阻小,体积小时呈现的绝缘电阻大。 另一方面,绝缘材料在加上高压后均存在对电荷的吸收比过程和极化过程。 所以,电力系统要求在主变压器、电缆、电机等许多场合的绝缘测试中应测量吸收比-即R60s和R15s的比值,和极化指数-即 R10min和R1min 比值,并以此数据来判定绝缘状况的优劣。
.
3、在高压高阻的测试环境中,为什么要求仪表接“G”端连线? 答:在被测试品两端加上较高的额定电压,且绝缘阻值较高时,被测试品表面受潮湿,污染引起的泄漏较大,示值误差就大,而仪表“G”端是将被测试品表面泄漏的电流旁路,使泄漏电流不经过仪表的测试回路,消除泄漏电流引起的误差。
.
4、能不能用摇表直接测带电的被测试品,结果有什么影响,为什么?
答:为了人身安全和正常测试,原则上是不允许测量带电的被测试品,若要测量带电被测试品,不会对仪表造成损坏(短时间内),但测试结果是不准确的,因为带电后,被测试品便与其它试品连结在一起,所以得出的结果不能真实的反映实际数据,而是与其它试品一起的并联或串联阻值。
.
5、用摇表测量绝缘电阻时,有哪些因素会造成测量数据不准确,为什么?
答:1) 电动式摇表电池电压不足。电池电压欠压过低,造成电路不能正常工作,所以测出的读数是不准确的。 2) 测试线接法不正确。误将"L"、"G"、"E"三端接线接错,或将"G"、"L"连线"G"、"E"连线接在被测试品两端。 3) "G"端连线未接。被测试品由于受污染潮湿等因素造成电流泄漏引起的误差,造成测试不准确,此时必须接好"G"端连线防止泄漏电流引起误差。 4) 干扰过大。如果被测试品受环境电磁干扰过大,造成仪表读数跳动。或指针晃动。造成读数不准确。 5) 人为读数错误。在用指针式摇表测量时,由于人为视角误差或标度尺误差造成示值不准确。 6) 仪表误差。仪表本身误差过大,需要重新校对。
.
6、如何测量二次回路的绝缘电阻?
答:1)屏(柜)上二次回路,在屏(柜)端子排处将所有的外部引入的回路及电缆断开,分别将所有电流、电压、直流控制信号回路端子连接在一起,将不能承受高压的部件(电容器、半导体器件等)拆掉或短接,用1000V摇表测量各回路对地及各回路相互间的绝缘电阻。 2)整个二次回路,在屏(柜)端子排处将所有电流、电压、直流控制信号回路端子排连接在一起,并将电流回路接地点断开,用1000V摇表测量回路对地绝缘。
.
7、绝缘电阻值与哪些因素有关?
答:1)通常绝缘电阻值随温度上升而减小。为了将测量值与过去比较,应将测得的绝缘电阻值换算到同温时,才可比较;2)绝缘电阻值随空气的湿度增加而减小,为了消除被测物表面泄漏电流的影响,需用干棉纱擦去被测物表面的潮气和脏污。3)绝缘电阻值与被测物的电容量大小有关,对电容量大的(如电缆大型变压器等),在测量前应将摇表的屏蔽端G接入,否则测量值偏小;4)绝缘电阻与摇表电压等级有关,应接被测物的额定电压等级有关,应按被测物的额定电压等级,正确选用摇表,如测量35KV的设备,应选2500v摇表,若摇表电压低测量值将虚假的偏大。
.
8、如何使用摇表摇测电容器的绝缘电阻?
答: 摇测电容器两极对外壳和两极间的绝缘电阻时,1 千伏以下使用1000伏摇表,1 千伏以上应使用2500伏摇表。由于电容器的极间及两极对地电容的存在,故摇测绝缘电阻时,方法应正确,否则而损坏摇表。摇测时应由两人进行,首先用短路线将电容器短路放电,再将摇表的摇地极和被测电容器的一极(或一极与外壳)连在一起,然后有一人将摇表摇至规定转速,待指针稳定后,再有另一人将摇表的试验端线路搭接到被测电容器的另一极上,此时摇摇表的一人继续使摇表保持转速,不得停转摇表。由于对电容器充电,指针开始下降,然后重新上升,待稳定后指针所示之读数,即为被测的电容器绝缘电阻值。读完表后,先把搭接在被测电容器一极上的摇表试验端线撤离后才能停转摇表,否则电容器会对停转的摇表放电,损坏表头。摇测完毕应将电容器上的电荷放尽,防止人身触电。
点击排行
室内风扇电机和霍尔元件的检测