您现在的位置是:首页 > 电气技术 > 电气技术
切换电容器接触器接线图
来源:艾特贸易2017-03-18
简介切换电容器接触器接线图 为了节约能源和电力,在电力系统采用提高有效功率,减低无功损耗,故在电路中加入电力电容器,进行无功补偿。但是,每当一组电力电容器投入网络的一瞬
切换电容器接触器接线图
为了节约能源和电力,在电力系统采用提高有效功率,减低无功损耗,故在电路中加入电力电容器,进行无功补偿。但是,每当一组电力电容器投入网络的一瞬间,给该电路一次电流浪涌。俗称″涌流″。
涌流的产生,来自电力电容器的电容与网络的线路阻抗,在线路中振荡而形成的,其峰值可达到该支路接触器额定电流的100倍上下。补偿装置常年连续工作,而动作又频繁,所在故障率又相当高,因此不得不采取措施。
在线路中串接电抗器,体积大,费用高,所以现在用户急需一种既安全又运行可靠符合国际标准的一种电容接触器。同时也希望辅助接点多一点,可以减少线路中的中间电器。
CJX2A系列切换电容器接触器(以下简称电容接触器或产品)与国内同类同容量产品相比体积小,结构新颖配合巧妙,安装方便,性能优良,辅助触点多,特别是充电抑制涌流装置有独特之处,为国内独创。主要技术经济指标高于国内同类产品,使用安全可靠,又符合国际标准,是国内最理想的切换元件。
二、用途
CJX2A系列切换电容接触器,主要用于50Hz在AC-6b使用类别下,额定工作电压380V的电力电容器柜中,作为投入和切断电力电容器组,以调整电力系统的cos值(功率因数),抑制接通时出现的涌流。
三、产品结构
CJX2A系列电容接触器是由充电抑制涌流装置和交流接触器组成,见图1。动作机构为直动式,触头为双断点,磁系统为E字形铁芯,迎接式结构,磁系统为塔式弹簧的吸反力配合。
图1 投入前产品状态
充电抑制涌流装置:由充电主触头、辅助触头和限流电阻组组成。充电主触头支架和辅助触头支架是由永久磁铁联结(吸合)。有时吸合,有时分开。(见图2),辅助触头支架又和接触器支架相联结。接触器触头动作该辅助触头也动作。辅助触点有二对。
限流电阻组由六根合金电阻线组成。绝缘,耐热是该装置的重要组成部分。
四、产品限流原理和运行
产品结构设计为:抑制涌流装置的主触头开距小于接触器的主触头开距。即l
图2 产品原理图
当接触器线圈通电(产品开始投入),磁系统动作,抑制涌流装置的主触点支架和辅助触点支架在永久磁铁的吸合下一块向下拉动,首先充电主触点接通(见图3),此时限流电阻开始起限流作用。只是瞬间,磁系统吸合,接触器主触点接通(闭合)(见图4),抑制涌流装置辅助触点也被拉动到位。此时,充电主触头支架在反力弹簧的作用和机械限制下,使该支架与辅助触头支架脱离,二者很清楚的分开。抑制涌装置的充电主触头完成了一次它的限流任务,回到它开始的位置,等待下次任务。
图3 刚投入瞬间状态
图4 投入后产品运行状态
而接触器开始了该支路的正常运行工作,完成了一次线路的投入。一旦该电路需要切除时,接触器线圈切断,主触点打开,辅助触头与抑制涌流装置的主触头由永久磁铁把它们吸合在一起,完成了一次完全的投切过程。图5示波图:上面的A、B、C三相是电容接触器的抑制涌流装置的主触点接通,紧接着示图下面的A、B、C三相是接触器主触点接通,又紧接着上面主触点打开。这个示波图是电容接触器一次投入波形的显示。也显示出它们之间的关系和时间差。
五、产品特点
1.限流主触头和接触器主触头在正常运行中是分开的,它们各行其事。
2.辅助触点多。32A以下为三对,40A以上为4对,可以任意组合常开常闭。
3.设计为全系列有16,25,32,40,50,63,80及95A八种规格。各自容量配有各自容量的接触器。
4.设计切换电容器所控制的容量,安全系数大,并有一定的余量。安全可靠。
5.限流电阻组对称,线状,绝缘,耐热。
6.接触器塔形反力弹簧,使吸反力配合好,磁铁吸合平稳,机电寿命高。
7.产品技术经济指标高,具有高的分断能力和限流能力。
六、主要技术参数和性能指标
1.CJX2A系列切换电容接触器的额定工作电压为380伏,在AC-6b使用类别下,额定工作电压为220伏和380伏时额定工作电流及额定控制容量以及其它数据见表1。
2.接触器线圈电源电压50Hz(或60Hz)24V、36V、40V、110V、220V、380V。
3.在周围空气温度-25℃~+40℃范围内,给产品线圈施以100%额定电压,使其发热至稳定状态时能在85%ue~110%ue范围内的任何电压下可靠吸合,其释放电压不高于75%ue,又不低于30%ue。
4.辅助触头参数(表2)
5.辅助触头对数(表3)
表3 辅助触头对数
6.接触器线圈参数(表4)
表4 线圈参数
7.使用条件:
周围空气温度:-25℃~+55℃
安装地点:海拔不超过3000m。
产品应安装和使用在无显著摇动和震动的地方。
安装:安装面与垂直面倾斜度不大于5℃。产品具有螺钉安装和卡轨安装。
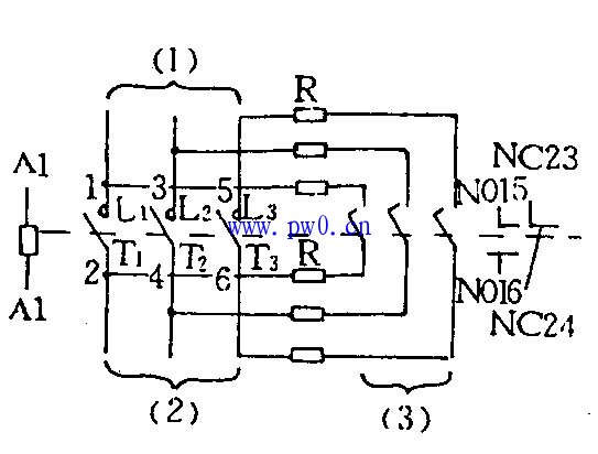
8.产品接线图(图6)
CJX2A系列切换电容交流接触器是一种节能产品。装在电力电容器柜中,如省去24只电抗器,每只电抗器耗电12W,一年以300天,一天以16小时计,全国每年5万台(不仅5万台)节电3400千瓦小时(3400kW·h)。
如以提高电网功率因数,可以节省无功功率,提高有效功率。以普通为cos为0.175(功率因数)提高到cos 为0.95,则增加20%的有效功率。全国发电设备装机容量为1.7亿kW,则扩大发电设备容量:1.7kW×20%0.34亿kW。以每kW发电设备200元计,可节省投资68亿元。
点击排行
室内风扇电机和霍尔元件的检测