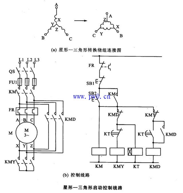
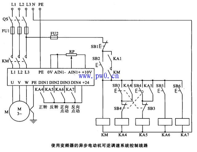
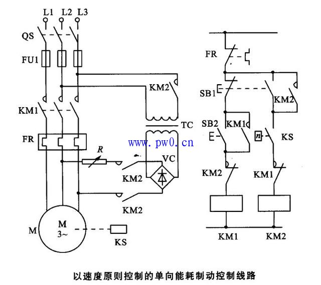
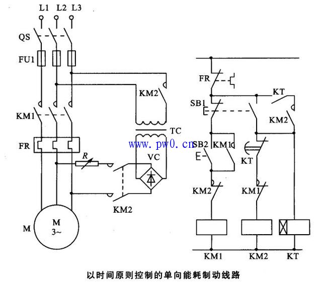
您现在的位置是:首页 > 电气技术 > 电气技术 36种电气自动控制原理图和接线图 来源:艾特贸易2017-03-18 简介配电箱规格型号_配电箱接线图_配电箱安装方法 电气自动化这东西入手学习挺难的,但只要懂门道学起来又非常有意思,然而时间长了自然还会忘记咳咳,我只是说我自己所以收集起来 配电箱规格型号_配电箱接线图_配电箱安装方法 电气自动化这东西入手学习挺难的,但只要懂门道学起来又非常有意思,然而时间长了自然还会忘记……咳咳,我只是说我自己……所以收集起来长期看,反复看,温故而知新,还是特别管用的! 相关文章 变频空调器电气系统的断电检修技术方法 电气控制线路设计的基本要求 电气控制系统中常用的短路保护 电气控制系统中常用的过载保护 电气控制系统中常用的过流保护 电气控制系统中常用的零电压与欠电压保护 点击排行 室内风扇电机和霍尔元件的检测 桥架90度弯头制作图解" 桥架45度弯头制作图解" 不动电表最简单偷电法" 开关l1l2l3怎么接电线?单控l1l2l3开关怎" 土建电工图纸符号大全" 日光灯功率因数的提高实验报告" 宝马拆装完发动机气门室盖无法启动" 东菱面包机电机不转故障维修方法" 本栏推荐 室内风扇电机和霍尔元件的检测 什么叫渗透探伤 劲霸458系列电磁炉主板无电压不工作 一位高级工程师善用功率分析仪进行 电压互感器的接线方式有哪几种? MC-PSY20D型美的家用电磁炉放置炒菜锅 在使用示波器观测信号波形时,怎样 美的MC-PD16型电磁炉不能加热,怎样检 TBM维护保养的成效 智能数字式电阻测量仪简介 柴油发电机控制屏由什么组成,它起