电气技术
电气技术
-
点动控制电路原理图
电气技术
点动控制电路原理图 点动控制电路是用按钮和接触器控制电动机的最简单的控制线路,原理图如下图所示, 分为主电路和控制电路两部分。 点动控制电路工作原理如下: 首先合上电源...
阅读更多 -
电磁阀控制器实物接线图
电气技术
电磁阀控制器实物接线图 控制器的接线很简单,主要分为电源、输出和输入接线。参见下图示例: 1、电源接线:将开关电源提供的24V电源的接到控制电源端,24V负极 接地 线EG端子,正...
阅读更多 -
高级电工证电路图接线
电气技术
双灯双开关 延时断电电路 延时通断不断循环且达到设置循环数断电 延时熄灭电路 传统镇流器和电子镇流器 通电延时断电 循环流水灯 两灯循环点亮 延时通断不断循环且达到设置循环...
阅读更多 -
飞利浦400w高压钠灯接线图
电气技术
飞利浦400w高压钠灯接线图 飞利浦高压钠灯使用时发出金白色光,具有发光效率高、耗电少、寿命长、透雾能力强和不锈蚀等优点。广泛应用于道路、高速公路、机场、码头、船坞、车...
阅读更多 -
dh48j计数器接线图
电气技术
dh48j计数器接线图 首先确定电源端子,如果用接近开关或光电开关,那么开关棕色线(有的为红色)接仪表12V(有的标为VCC或U0),蓝色线接仪表GND(有的标为COM),黑色线接IN端(有的标...
阅读更多 -
高级电工有什么用?高级电工职业方向
高级电工有什么用?高级电工职业方向 电工证常见四种: 安监局 : 1、特种作业操作证:作业种类:电工(俗称 操作证、上岗证)。分类: 高压操作、低压操作。 能源局: 2、电工进...
阅读更多 -
二三眼插座电源线接法
电气技术
二三眼插座电源线接法 正常环境下的单相用电产品,特别是移动式的电源插座,都要采用这些三芯插头和相同配套的单相三眼插座。 三眼插座会设计专用一种保护接零(地)插孔,这些接...
阅读更多 -
智能水泵控制器接线图
电气技术
智能水泵控制器接线图 智能水泵控制器,适用于一控一、一控二、一控一带辅泵、一控二带辅泵的控制方式,可用于上水池或下水池,可使用普通浮球开关或液位电极;可设置防锈巡检...
阅读更多 -
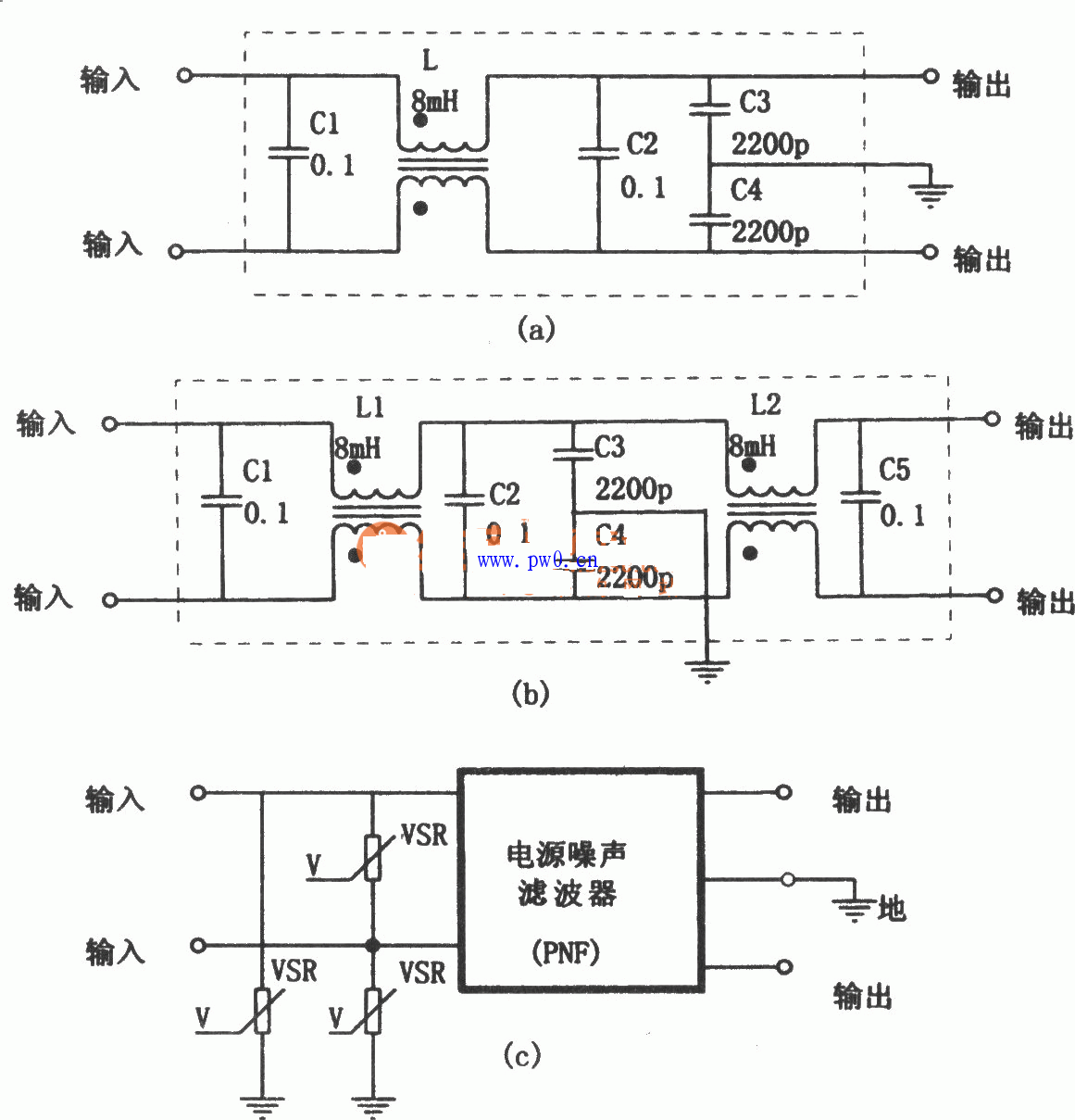
电源滤波器怎么接线图
电气技术
电源滤波器,又名电源EMI滤波器,或是EMI电源滤波器,是一种无源双向网络,是一种对电源中特定频率的频点或该频点以外的频率进行有效滤除的电气设备,它的一端是连接电源,另一...
阅读更多 -
电机正反转电路图讲解
电气技术
如下图所示,蓝色表示A相,绿色表示B相,红色表示C相,黑色表示合成磁场,横坐标可以表示在空间上的分布,纵坐标可以表示在磁场强度上的大小。 当通入缺相交流电时 当通入单相...
阅读更多
点击排行
室内风扇电机和霍尔元件的检测