电气技术
电气技术
-
无功补偿控制器选型_无功补偿控制器接线图
电气技术
无功补偿控制器选型_无功补偿控制器接线图 无功补偿控制器的选型 1,对于电网负荷波动不大,且三相负荷基本平衡,仅以提高功率因数为目标的情况,为了降低设备成本,可选用功能单一...
阅读更多 -
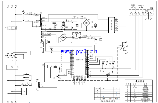
电器元件表示符号图解
电气技术
电器元件表示符号图解...
阅读更多 -
电功率计算公式图释
电气技术
Ⅴ-1电功率计算公式 Ⅴ电功率计算公式汇总 1、在纯直流电路中: P=UI P=I2R P=U2/R 式中:P---电功率(W),U---电压(V),I----电流(A), R---电阻()。 2、在单相交流电路中: P=UIcos 式中...
阅读更多 -
馈电开关原理图讲解
电气技术
馈电开关原理图讲解 常规型馈电开关采用模拟功能插件,具备上述各种保护功能,漏电保护和漏电闭锁采用直流附加法原理。 智能型馈用电开关采用智能综合保护装置,增加了选择性...
阅读更多 -
电压等级如何确定?保电等级确定
电压等级如何确定?保电等级确定 国际上,对于交流输电系统,通常把35~220kV的输电电压等级称为高压(HV),把330~750(765)kV的输电电压等级称为超高压(EHV),而把1000kV及以上的电...
阅读更多 -
交流电的发明人是谁?交流电之父
电气技术
尼古拉特斯拉(Nikola Tesla,1856年7月10日-1943年1月7日),是世界知名的发明家、物理学家、机械工程师和电机工程师。塞尔维亚血统的他出生在克罗地亚(后并入奥地利帝国)。特斯拉被认为...
阅读更多 -
电能表计量箱设计规范
电能表计量箱设计规范 一、总体原则 1、本指导意见适用于江苏省内居住区额定电压为交流230V、400V, 50Hz居民用电计量箱的使用。 2、居民用电计量箱的生产、制造应符合电力公司颁发的...
阅读更多 -
过流保护和短路保护的区别
电气技术
短路保护是过电流保护的一部分。图1表示不同电流保护之间的关系。 接地 故障保护、臂短保护和相间短保护都属于短路保护。 图1.过流保护与短路保护比较 图2表示不同的短路模式和...
阅读更多 -
交流电和直流电区别_交流电和直流电的优点和缺
交流电和直流电区别_交流电和直流电的优缺点 直流电 是指方向和时间不作周期性变化的电流,但电流大小可能不固定,而产生波形。又称恒定电流。所通过的电路称直流电路,是由直...
阅读更多 -
单相电与三相电的联系
电气技术
单相电与三相电的联系 在电工学中,只有单相电和三相电,即使是特殊需要用两根火线(相线)380V电压,也只能称为单相380V。 单相电是三相电的一部分,一路三相电(三相四线)可以...
阅读更多
点击排行
室内风扇电机和霍尔元件的检测