电气技术
电气技术
-
变压器型号参数
变压器型号参数 1.变压器的规格型号比较多,不同种类规格其含义也有所不同。 2.常见的例如:干式变压器 SCB10-1000KVA/10KV/0.4KV干式变压器表示的含义: S的意思表示此变压器为三...
阅读更多 -
环网柜内部结构图
电气技术
环网柜一般分为空气绝缘、固体绝缘和SF6绝缘三种,用于分合负荷电流,开断短路电流及变压器空载电流,一定距离架空线路、电缆线路的充电电流,起控制和保护作用,是环网供电和...
阅读更多 -
输配电小知识
电气技术
输电是用变压器将发电机发出的电能升压后,再经断路器等控制设备接入输电线路来实现。输电线路的电压越高,传输的电能就越多,传输的距离也越远,输电电压一般在220千伏以上。...
阅读更多 -
电力MIS和RFID技术巡检系统
电气技术
以往加强巡视效果就意味着加大巡视工作量,但系统的出现有效地解决了这一矛盾。工作人员首先创建RFID标签,然后在网络上将巡视任务下载到便携式的RFID读写器中,然后通过标签对...
阅读更多 -
环网柜的结构特点由哪几个部分组成
电气技术
a、环网柜由开关室、熔断器室、操动机构室和电缆室(底架)四部分组成。 b、开关室由密封在金属壳体内的各个功能回路(包括接地开关和负荷开关)及其回路间的母线等组成。壳体...
阅读更多 -
变压器的分类和用途大全图解
电气技术
变压器是一种常用元器件,其种类繁多,大小形状千差万别。无线电与电子制作中较常用的有:电源变压器、音频输入变压器、输出变压器、中频变压器、高频变压器、脉冲变压器等。...
阅读更多 -
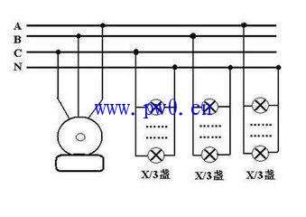
三相电配电箱电表接线图
电气技术
进线若是五芯,有专门的地线,直接把地线接在与外壳相连的地排上。若无专门地线,一般在进线的保护钢管上焊接螺栓,用电线将螺栓与地排相连,钢管本身是要与接地网相连的。若...
阅读更多 -
双电源开关切换装置原理接线图
电气技术
双电源开关切换装置原理接线图 双电源自动转换开关的零线有以下几种接法: ① 四极双电源自动转换开关,零(N)线单独分开,各自接常用电网和备用电网的零(N)线。 ② 三极双电...
阅读更多 -
家庭配电箱安装要点_家用配电箱安装方法
电气技术
家庭配电箱安装要点: 1、家庭配电箱分金属外壳和塑料外壳两种,有明装式和暗装式两类,其箱体必须完好无缺。 2、家庭配电箱的箱体内接线汇流排应分别设立零线、保护接地线、相...
阅读更多 -
德国家庭配电箱接线图研究分析
电气技术
德国家庭配电箱接线图研究分析 如下图,是德国一个家庭的配电箱接线图,我们从右上角开始研究。 1、室外:供电电杆上,有4根电线:3根火线(L1、L2、L3);1根零线(N) UTUtility...
阅读更多
点击排行
室内风扇电机和霍尔元件的检测