电气技术
电气技术
-
电力系统潮流计算的目的是什么
电力系统潮流计算的目的是什么 潮流计算是研究电力系统稳态运行情况的一种基本电气计算,常规潮流计算的任务是根据给定的运行条件和网路结构确定整个系统的运行状态,如各母线...
阅读更多 -
一节5号干电池电压是多少
碳性干电池空载电压是1.65V,碱性干电池空载电压是1.63V.实际负载电压都在1.5V以上,所以统称1.5V电池。 另附生活中一些常见的电压值: 我国家庭电路的电压为220V 一节干电池的电压为...
阅读更多 -
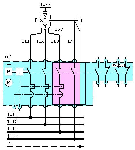
空气开关反接可以用吗?空气开关反接危险
电气技术
空气开关 反接这个问题,解析时可以分解为两个相互关联的子问题。我们来看下图: 图中我用青色框标明的区域就是 断路器 ,当然,这台断路器是低压 配电 室里面用的。而用粉色框...
阅读更多 -
熔断器的作用是什么?熔断器的分类
电气技术
常用的熔断器 (1)插入式熔断器 如图1所示,它常用于380V及以下电压等级的线路末端,作为配电支线或电气设备的短路保护用。 图1插入式熔断器 1-动触点 2-熔体 3-瓷插件 4-静触点 5...
阅读更多 -
各种接地电阻值怎么取
接地通常分为两大类:功能性接地及保护性接地。功能性接地主要包括工作接地、直流接地、屏蔽接地、信号接地等;保护接地主要包括防电击接地、防雷接地、防静电接地等。 翻开《...
阅读更多 -
家用电表如何上传数据
家用电表如何上传数据 家用单相费控智能电表,数据是怎样回传给供电局的.以前是人工抄表,现在可以远程抄表了,求工作原理,具体解决方案如下: 每天定时发送短信数据到局端服...
阅读更多 -
按钮sb的作用是什么
按钮sb的作用是什么 主要作为终端电器的总开关,也可用于控制各类电动机 SB按钮开关属于接触性开关,按下去就会导通,松开就会断开类型的...
阅读更多 -
电线杆架变压器距民房多少米
电线杆架变压器距民房多少米 咨询农村变压器安全距离是多少,电线杆架变压器的这种应该距民房多少米。 尊敬的客户:您好!电线杆架变压器即是台架式变压器,您村中电线杆上的...
阅读更多 -
什么是国标2.5平方铜线功率标准
电气技术
我们常常听到一个词,那就是标准负荷,那么电线的标准负荷到底代表着是什么意思呢?说起电线电缆的标准负荷,在网上可谓是看网友说的五花八门。有人说2.5平方铜线功率是2千瓦数...
阅读更多 -
电力中gis是什么意思?电力GIS特点
GIS是由断路器、隔离开关、接地开关、互感器、避雷器、母线、连接件和出线终端等组成的组合电器的简称,这些设备或部件全部封闭在金属接地的外壳中,在其内部充有一定压力的...
阅读更多
点击排行
室内风扇电机和霍尔元件的检测