电气技术
电气技术
-
什么是瓦斯继电器?瓦斯继电器实验方法
什么是瓦斯继电器?瓦斯继电器实验方法 瓦斯继电器是变压器重要的主保护,安装在变压器油枕下的油管中。 轻瓦斯主要反映在运行或者轻微故障时由油分解的气体上升入瓦斯继电器,...
阅读更多 -
接触网的供电方式有哪些
接触网的供电方式有哪些 单线单边供电 即接触网的每个分段由牵引变电所从一边供应电能,每个牵引变电所的两个臂供两个接触网区段,相邻两个变电所之间的两段接触网相互绝缘。...
阅读更多 -
什么是电流互感器?电流互感器实验
什么是电流互感器?电流互感器实验 电流互感器(CT)是电力系统中很重要的电力元件,作用是将一次高压侧的大电流通过交变磁通转变为二次电流供给保护、测量、录波、计度等使用,...
阅读更多 -
家里插座安装了漏电保护器还要接地线吗
电气技术
一、三种电线 首先菇爷想和大家区分一下火线、零线、地线这三种电线,不明白的朋友可以看看 1、火线:接通电源会电到人。 2、零线:从电器接出,不会电到人,它与火线之间的电...
阅读更多 -
如何根据断路器合闸电流选择保险
如何根据断路器合闸电流选择保险 合闸保险的选择与断路器的型式有关。由于断路器型式不同,合闸时间也不一样,合闸时间短的选用较小的保险(一般保险在一秒钟过载能力为三倍额...
阅读更多 -
地线与零线之间电阻多少是正常
地线与零线之间电阻多少是正常 我国除了个别电厂采用中心点不接地系统以外,其余工业用电(380/220V)都是中心点直接接地系统。所以:零线与地线之间应当是导通的,其电阻应当接...
阅读更多 -
为什么断路器不允许带电情况下慢合闸
为什么断路器不允许带电情况下慢合闸 因为用千斤顶合闸速度缓慢,在高压的作用下,动触头缓慢地靠近静触头,到达一定距离时,就会将油击穿放电,早晨和触头严重烧伤。如果是在...
阅读更多 -
电机旋转磁场的极对数怎么算
电气技术
电机旋转磁场的极对数怎么算 当三相定子绕组按图示排列时,产生一对磁极的旋转磁场,即:P=1。如图1所示。 图1若定子每相绕组由两个线圈串联,绕组的始端之间互差60,将形成两对...
阅读更多 -
电力kw是什么意思
电力kw是什么意思 电力参数中的KVA和KW是电网、变压器和用电设备所具备的功率单位。KVA(千伏安)是视在功率的单位,这一指标指的是总功率。即有用功率和无用功率之和;KW(千瓦...
阅读更多 -
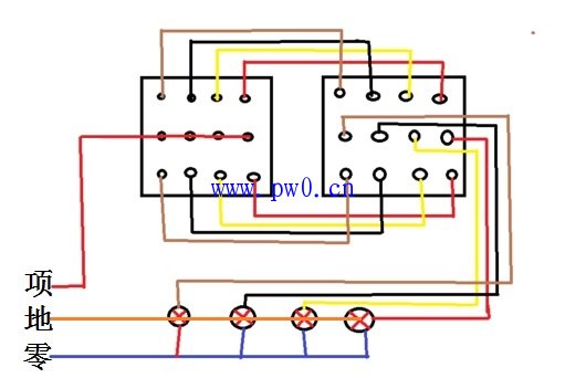
四联双控开关怎么接线?四联双控开关接线图
电气技术
四联双控开关怎么接线?四联双控开关接线图 四联双控开关接线原理和施工问题,四联双控开关与开关之间是8根线,零线、地线是不过开关的。PVC20管可以穿2.5的8根线。...
阅读更多
点击排行
室内风扇电机和霍尔元件的检测