电气技术
电气技术
-
贴片电阻阻值标示图解说明
电气技术
贴片电阻阻值标示图解说明 贴片电阻的特点:它的阻值一般都标示在本体上(如下图) 贴片电阻阻值标注方法 1.E-24标注方法 E-24标注法有两位有效数字,精度在2%(-G),5%(-J),10%(...
阅读更多 -
自耦变压器工作原理图
电气技术
1、自耦变压器是输出和输入共用一组线圈的特殊变压器。升压和降压用不同的抽头来实现。比共用线圈少的部分抽头电压就降低。比共用线圈多的部分抽头电压就升高。 2、其实原理和...
阅读更多 -
usb数据线串联电阻的作用
看原理图时,经常看到串一些小电阻,如22欧姆,但是也不是一定串。同样场合有的串,有的不串。请哪位高人指点一下吧? 如果是高速信号线上串小电阻,那就应该是终端阻抗匹配。如...
阅读更多 -
贴片电阻怎么看阻值?贴片电阻怎么看大小
贴片电阻怎么看阻值?贴片电阻怎么看大小 贴片元件具有体积小、重量轻、安装密度高,抗震性强。抗干扰能力强,高频特性好等优点,广泛应用于计算机、手机、电子辞典、医疗电子...
阅读更多 -
加法器减法器运算放大电路图详解
电气技术
加法器减法器运算放大电路图详解 图三中,由虚短知:V-=V+=0a 由虚断及基尔霍夫定律知,通过R2与R1的电流之和等于通过R3的电流, 故(V1V-)/R1+(V2V-)/R2=(VoutV-)/R3b 代入a式,b式变为V1/R1+V2...
阅读更多 -
匹配电阻下低频电路与高频电路的比较
匹配电阻下低频电路与高频电路的比较 ① 在低频电路中,我们一般不考虑传输线的匹配问题,只考虑信号源跟负载之间的情况,因为低频信号的波长相对于传输线来说很长,传输线可...
阅读更多 -
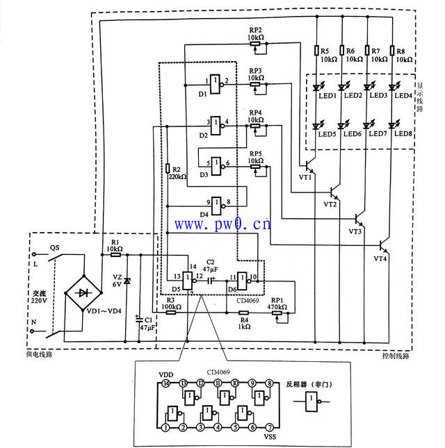
LED广告灯控制线路原理图分析
电气技术
LED广告灯控制线路是一种可用于小区庭院、马路、景观照明及装饰用的线路。LED广告灯控制线路是采用LED作为显示设备的线路,通过逻辑门电路控制不同颜色的LED有规律地亮灭,起到广...
阅读更多 -
运算放大器虚短虚断怎么理解
电气技术
虚短和虚断的概念 由于运放的电压放大倍数很大,一般通用型运算放大器的开环电压放大倍数都在80 dB以上。而运放的输出电压是有限的,一般在 10 V~14 V。因此运放的差模输入电压不...
阅读更多 -
上拉电阻与下拉电阻的应用
上拉电阻与下拉电阻的应用 一、定义: 1、上拉就是将不确定的信号通过一个电阻嵌位在高电平!电阻同时起限流作用!下拉同理 2、上拉是对器件注入电流,下拉是输出电流 3、弱强只...
阅读更多 -
三端稳压器参数含义说明
电气技术
三端稳压器参数含义说明 对于三端稳压器,最常用的有78X系列和79X系列。那么针对7805解释一下各个参数的意义。 首先下载7805手册,可以看出其特性描述如下: 1.输出电压和输出电流...
阅读更多
点击排行
室内风扇电机和霍尔元件的检测