您现在的位置是:首页 > 电路图 > 电路图
tda1521制作的漫步者2.1低音炮电路图
转载来源:电子技术应用-AET chinaaet.com 电子发烧友 elecfans.com2017-03-16
简介高保真功放IC TDA 1521采用九脚单列直插式塑料封装,是飞利浦2×15W单片功放集成电路,外围元件极少,使用方便,具有短路保护和静噪功能,电源内阻要小于4欧,以确保负载短路保护功
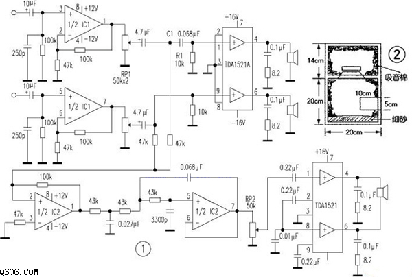
高保真功放IC TDA 1521采用九脚单列直插式塑料封装,是飞利浦2×15W单片功放集成电路,外围元件极少,使用方便,具有短路保护和静噪功能,电源内阻要小于4欧,以确保负载短路保护功能可靠动作。电器特性参数:(Vcc=±16V RL=8Ω f=1KHz Ta=25℃)1、电源电压:Vcc = ±7.5 -- ±20V 推荐值:±15V 2、输出功率:Po =2×12W(THD=0.5%) BTL形式时 Po = 30 W 3、电压增益:Gv = 30dB 4、通道隔离度:CT=70dB 5、输出噪声电压:Vno = 70uV (Rg=2KΩ)有输出功率大、两声道增益差小、有过热过载短路保护等特点。双电源供电时,省去两个音频输出电容高低音音质更佳。单电源供电时,电源滤波电容应尽量靠近集成电路的电源端,以免电路内部自激。
需要注意是的:
1.必须加装散热板,不小于200mm×100mm×2mm。
2.只要变压器功率够大、散热迅速,效果会很好。
3.切不可将输出端与输入端相连,否则迅速烧毁集成块。
TDA1521制作漫步者2.1低音炮电路图,本功放元件少、制作简单、音质好,非常适合装入有源音箱内。效果理想,成本也低,非常适合初学者制作。
功放IC选用TDA1521,当电源电压为±16V时,输出功率为12W×2,此时失真度仅为0.5%,并具有开/关机静噪功能。本电路装设有等响度补偿电路,用来改善小音量时高低音效果。W是带中心抽头的双联八脚电位器,与C1、R1、C2接成等响度控制电路,电路如下图。

制作时的注意事项:1.TDA1521的散热片绝对不能接地,否则开机必损IC!应在IC与散热器间加云母片绝缘,并加适量导热硅脂,再将散热器接地。2.电位器W阻值为100kΩ,其外壳需接地。3.从滤波电容到IC的⑤、⑦脚间电源连线尽量短而粗,可在印板铜箔上堆一层锡。
制作完成后试音,将音量电位器开至最大,贴近喇叭几乎听不出噪声。用CD机来试,连接落地音箱时,与先驱M-850功放比,除功率稍小以外,音质令人满意,表现人声非常清晰,毫不含糊。
点击排行
多功能吊扇遥控调速电路
