转载来源:电子技术应用-AET chinaaet.com 电子发烧友 elecfans.com2017-03-16
简介1电子镇流器及有关问题 电子镇流器的负载是一种特殊负载,要求电子镇流器工作时具有能为负载提供稳定电流的能力。由于它具有节能、效率高、节省金属材料(铜、硅钢)等优点,
1电子镇流器及有关问题
电子镇流器的负载是一种特殊负载,要求电子镇流器工作时具有能为负载提供稳定电流的能力。由于它具有节能、效率高、节省金属材料(铜、硅钢)等优点,具有很高的经济效益和社会效益,所以引起社会各界的广泛关注。
电子镇流器采用高频开关变换技术,体积可以做得很小。但由于高频开关和整流运行的原因,它又存在源侧谐波失真大、电磁辐射干扰严重等缺点,当大批电子镇流器同时工作时,高频谐波会使电源中线严重偏离零电位,同时引入极大的峰值电源电流,严重干扰电源系统供电质量,甚至造成重大经济损失。
2电子镇流器的发展
从时间上划分,电子镇流器主要经历了以下几个阶段:
第一阶段是80年代中期到90年代初期。这期间,电力电子技术由低频向高频发展,APFC(有源功率因数校正)也开始起步,电子镇流器的优缺点开始显现出来。这一阶段电子镇流器的主要特征是:
(1)镇流器的输入端采用不可控整流和大电容(或不用电容)滤波,输入电流波形严重畸变,当大量使用时,会造成中线电流增加,严重时会引起镇流器大量损坏甚至造成火灾。
(2)采用“逐流”无源滤波技术,使得PF>0.9,THD<30% 。 但 是 9次 谐 波 的 波 峰 因 子 Cf≈ 2, 超 过 标 准 。 有 人 把 采 用 这 种 “ 逐 流 ” 无 源 滤 波 技 术 的 电 子 镇 流 器 叫 作 第 二 代 电 子 镇 流 器 。
第二阶段是90年代初期到90年代中期。这期间,由于APFC技术已成熟,并推出了相关专用集成芯片。电子镇流器电路主要采用两级功率变换,第一级采用APFC(常用BOOST型PFC电路),第二级采用功率DC/AC逆变。人们常将采用这种技术的电子镇流器叫作第三代电子镇流器。由于它采用了PFC技术,所以PF可达0.99,THD及各次谐波指标均能满足要求。但是这种电子镇流器采取了两级高频功率变换,所以整机效率在80%~90%,甚至更低,同时电路复杂,成本高,一时难于大范围推广。
第三阶段是典型电路采用单级多功能电子镇流器,发展方向主要有:
(1)美国VEPC提出的高频能量反馈的电荷泵电路,主要指标可达PF>0.995,THD<5% , Cf<1.6。
(2)CUK等人提出的单管电子镇流器。
本文主要讨论两种采用高频能量反馈技术的电子镇流器和它们的工作原理。
3电子镇流器的主要参数
评价电子镇流器的指标有很多,下面介绍一些常用指标:
(1)输入侧功率因数一般要求PF>0.9;
(2)输入侧电流总谐波失真THD<20% ~ 30% , 并 且 要 求 三 次 谐 波 成 分 与 基 波 成 分 ( I3/I1) <17% ;
(3)瞬态过电压保护由于供电电网中有时会出现高幅值(如1kV左右)的瞬态脉冲电压,但电子镇流器由于受成本的限制,功率变换器件的参数余量不大。为使电子镇流器可靠工作,应对这种高幅值的瞬态干扰加以抑制;
(4)软起动功能电子镇流器开起时,起动电流比正常工作电流大许多,降低了负载工作寿命,所以电子镇流器应配以软起动电路来减小起动电流;
(5)空载电压电子镇流器刚开始工作瞬间,负载还未工作,这时电子镇流器的输出电压既不能太高,又不能太低。太低,灯管不能起辉;太高,又易降低灯管工作寿命;
(6)负载触发起动方法常用的负载触发起动方法有两种:
①采用正温度系数的热敏电阻法。由于热敏电阻的热惯性,负载稳态工作时会对负载工作特性产生影响;
②瞬间触发起动,由于负载没有预热过程,而直接加上较高的触发电压,会降低灯管阴极使用寿命;
(7)电流波峰因子Cf对电子镇流器要求Cf<1.7, 过 大 会 降 低 负 载 寿 命 ;
(8)效率η由于电子镇流器较普通镇流器的优点就是效率高,效率提高了就会达到节能效果;
(9)温升由于自激振荡的电子镇流器或采用APFC技术的电子镇流器中采用了磁性元件,而磁性元件的磁导率和温度有关。实用中应采用高Bs值的磁性材料,同时应选用温度系数低的磁性元件,特别是振荡线圈磁性材料;
(10)应力参数由于高频功率变换器寄生参数的存在,功率开关器件工作时,会有高频振荡现象产生。产生较大的dv/dt、di/dt,即所谓的动态电压、电流应力。过大的动态应力会造成功率变换器件的损坏。这点可采用软开关技术来降低动态应力值。
$show_page$
4采用无源滤波技术和有源滤波技术的电子镇流器
4.1采用电荷泵无源滤波技术的电子镇流器电路
该电路工作框图如图1所示。

图1采用无源滤波的电子镇流器电路
电路的输出及输入特性分别见表1及表2。
表1输出特性
参数名称 灯管电压 灯管电流 阴极电压 阴极电流 工作频率(kHz) 有效值 110.3V 0.168A 1.9V 0.187A 37.1 峰值 117.7V 0.294A 3.3V 0.308A 波峰因数Cf 1.61 1.83 1.73 1.65
表2输入特性
参数名称
电压
电流
有功功率18.9W功率因数PF=0.964电源频率50或60Hz
有效值
228.8V
0.089A
峰值
382.8V
0.132A
波峰因数Cf
1.38
1.48
失真度THD%
1.9
24.3
电源侧电压、电流波形见图2。

图2电源侧电压、电流波形
图3采用无源PFC的电子镇流器电路
图4电源侧电压、电流波形
$show_page$
从图1、2和表1、2可以看出,电路各项性能指标都有所兼顾和改善,PF值大于0.95,THD值在25%左右,但电流导通角还有一定的死区。波峰因数Cf有很大改进,在1.70~1.80。由于这种电路简单,成本低,所以很有实用价值。
4.2采用能量反馈的无源功率因数校正的电子镇流器
电路工作原理见图3。
电源侧电压、电流波形见图4。
电路输出特性见表3。
表3能量反馈式电子镇流器输出特性
参数名称 灯管电压 灯管电流 阴极电压 阴极电流 工作频率(kHz) 有效值 57.6V 0.138A 1.7V 0.142A 37.8 峰值 67.2V 0.231A 2.7V 0.234A 波峰因数Cf 1.51 1.68 1.65 1.65
电路输入特性见表4。
从图3、4和表3、4中有关数据可以看出,它的输入电流导通角为180°,没有死区,电压、电流基本同相位。PF>0.97,电流谐波在18%左右,Cf在1.6左右。由于电路简单,工作又比较可靠,所以比较适用于电子镇流器电路。

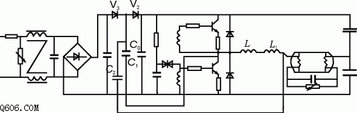
图5双泵式电子镇流器电路
表4能量反馈式电子镇流器输入特性
参数名称 电压 电流 有功功率9.4W功率因数PF=0.973电源频率50.07Hz 有效值 220.7V 0.044A 峰值 304.0V 0.067A 波峰因数Cf 1.38 1.54 失真度THD% 1.9 18.9
图6高频泵式电子镇流器电路
表5不同滤波电路的电子镇流器综合比较
类别 逐流电路 电感-电子 有源滤波(APFC) 双泵式 高泵式 电源电流波形 PF 0.9~0.96 0.96~0.98 >0.99 0.93~0.94 >0.99 THD 0.20~0.35 0.10~0.15 <0.1 0.25~0.35 <0.1 HD3 0.2~0.3 <0.12 <0.1 0.2~0.3 <0.1 Cif <1.7 <1.5 <1.7 <1.7 <1.7 η 0.88~0.9 0.8~0.85 0.8~0.85 >0.9 0.88~0.9 UDC(V) 225~230 270~280 ≥400 225~230 300~3505双泵和高频泵电子镇流器电路及实验结果对比
下面分别介绍采用双泵式(双向自供辅助电源式)和高频泵(高频能量反馈)的无源滤波电子镇流器电路和实验结果。
图5为双泵式电子镇流器工作原理图。电容C1、C2,电解电容C3、C4和二极管V1~V4构成了正、负双向辅助电荷泵。电子镇流器通电后短时间内,V1~V4及C3、C4构成一个寄生二极管和电容滤波回路,使电路工作。灯管点亮后,高频电流的一部分经由C1、C2返回电源,另一部分经过V1、V2整流,由C3、C4滤波,形成正、负两个辅助电压±△U,经由V3、V4与桥式整流后的100Hz脉动直流电压相叠加,形成一个波峰比Cf比较小的供电电源为功率变换级供电。适当选择电容器的取值,可使电流的波峰比Cf<1.7的 同 时 , 使 PF和 THD值 保 持 在 一 个 比 较 理 想 的 范 围 。 对 典 型 的 220V/36W电 子 镇 流 器 采 用 这 种 方 法 后 , 可 得 到 : PF="0.945," THD="32%" , 三 次 谐 波 含 量 HD3="0.28," Cf="1.61," η="0.93," f="24.5kHz。" 由 于 这 种 电 子 镇 流 器 的 高 频 电 流 得 到 了 再 生 利 用 , 所 以 电 路 工 作 效 率 较 高 。 由 于 灯 电 流 Cf值 较 小 , 所 以 发 光 效 率 也 比 较 高 。 源 电 压 范 围 为 160~ 270VAC。 整 个 电 路 对 元 器 件 无 特 殊 要 求 。
图6为采用无源滤波技术的高频泵式电子镇流器电路原理图。电容C1、C2,二极管V1、V2组成高频泵反馈回路。当电子镇流器工作后,高频电流通过电容C1、C2和V1、V2构成正、负两个回路,正半周由V2对C0充电,填充低谷,波峰比变小,负峰波由V1返回电源,对整流管而言,产生高电平时的负阻状况,从而提高了PF值。适当选择元器件参数,可使电路的效率得到提高。对采用这种方法的220V/36W电子镇流器典型参数为:PF=0.994,THD=0.068,HD3=0.051,Cf=1.62,η=0.89,f=25.3kHz。
6结论
对采用不同滤波电路的电子镇流器综合比较结果,见表5。
由表5可以看出,采用APFC的电子镇流器总体指标最好,但它造价相对高些,电路相对也复杂些,一时难于普及。而高频泵和双泵式电子镇流器电路,总体指标较好,三次谐波含量HD3:双泵式为0.2~0.3,而高频泵式小于0.1,有源滤波式小于0.1。由于采用双泵和高频泵能量反馈电路只添加几个无源元件,造价低,所以较具有实用价值。当然要提高整体电子镇流器的性能、工作可靠性等指标,还和功率变换电路形式(如谐振软开关)、元器件的质量有关。
多功能吊扇遥控调速电路