您现在的位置是:首页 > 电路图 > 电路图
电话机拨号电路图
转载来源:电子技术应用-AET chinaaet.com 电子发烧友 elecfans.com2017-03-16
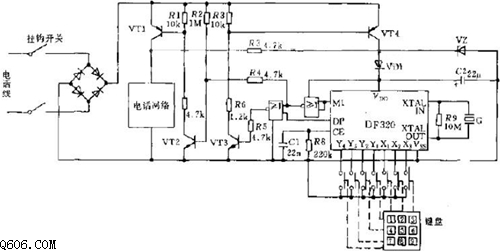
简介如图所示为采用DF320构成的按钮拨号电路。当电话被提起时,电源接通电路。晶体管VT2通过R2输入基极电流而导通,VT1也随之导通。于是电源通过R3、VD1给VC2充电到(Vdz 0.7)V。当达到V
如图所示为采用DF320构成的按钮拨号电路。当电话被提起时,电源接通电路。晶体管VT2通过R2输入基极电流而导通,VT1也随之导通。于是电源通过R3、VD1给VC2充电到(Vdz 0.7)V。当达到Vdd所需的最低工作电压时,DF320网络作为一个阻抗与电话并联。当第一个键入数字被识别时,DF320的时钟被启动,于是DF320引脚M1电平转为“1”,使VT2、VT1截止,而VT3、VT4导通,此时可以依此键入其他数字。

点击排行
多功能吊扇遥控调速电路
