您现在的位置是:首页 > 电路图 > 综合电源电路 > 综合电源电路
无源无损缓冲电路拓扑结构
转载来源:电子技术应用-AET chinaaet.com 电子发烧友 elecfans.com2017-03-23
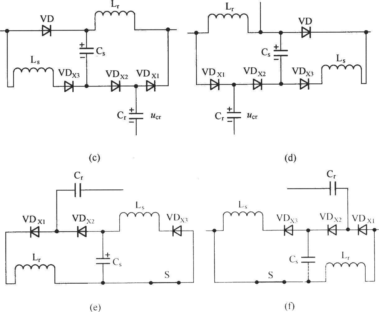
简介无源无损缓冲电路的拓扑结构分为两类:1.最小电压应力单元(MVS),如图(a), (b)所示2.非最小电压应力单元(Non-MVS),如图(c),(d),(e),(f)所示.


无源无损缓冲电路的拓扑结构分为两类:
1.最小电压应力单元(MVS),如图(a), (b)所示
2.非最小电压应力单元(Non-MVS),如图(c),(d),(e),(f)所示.