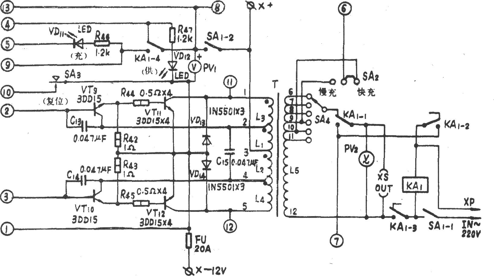
您现在的位置是:首页 > 电路图 > 综合电源电路 > 综合电源电路 AEP-P200全自动停电应急电源 转载来源:电子技术应用-AET chinaaet.com 电子发烧友 elecfans.com2017-03-23 简介AEP-P200全自动停电应急电源前级电路: AEP-P200全自动停电应急电源功率输出级电路: AEP-P200全自动停电应急电源前级电路: AEP-P200全自动停电应急电源功率输出级电路: 相关文章 GDQ-200W全自动应急电源 DSK-2-200全自动应急电源 点击排行 硅光电池组成的光电跟踪电路" UC3906的内部结构" 涓充方式的简单示意图" TPS54302同步降压转换器" CWl842直接驱动M0s管" 由MAX1802构成的多路输出数码相机电源" 单级高功率因数调光式荧光灯电子镇" CW117/CW217/CW317构成正、负输出电压" 本栏推荐 SA866引脚排列图 LEO LX-SVGA型多频彩色显示器的电源电路 IR2159可调光集成电路电子镇流器 正激式ZVT-PWM变换器主电路原理图 灯用无级调压电路 TNY253P构成的9V、55mA AC/DC变换器电路 普通的ZCT-PWM变换器 IGBT软开关逆变式弧焊电源主电路 4位编码同步降压控制器CS5150H构成的有 GREAT WALL GW-500/500E型TTL和SVGA多频彩色显