您现在的位置是:首页 > PLC技术 > PLC技术
PLC控制系统的抗干扰性设计
来源:艾特贸易2017-06-04
简介PLC 与普通的计算机不同,它直接连接被控设备的电子设备,因此周围存在很大的干扰。混入输入电路的干扰,或感应电压,容易引起错误的输入信号,从而运算出错误的结果,引起错误
PLC与普通的计算机不同,它直接连接被控设备的电子设备,因此周围存在很大的干扰。混入输入电路的干扰,或感应电压,容易引起错误的输入信号,从而运算出错误的结果,引起错误的输出信号。因此,为了使控制器可靠地工作,在控制系统设计时需要采取一些有效的抗干扰措施。 1.抗电源干扰的措施 可以使用如图4.14所示的隔离变压器来抑制电网中的干扰信号,没有隔离变压器时,也可以使用普通变压器。为了改善隔离变压器的抗干扰效果,应注意两点。
图4.14 滤波器和隔离变压器同时使用 ·屏蔽层要良好接地。 · 次级连接线应使用双绞线,以减少电源线间干扰。 使用滤波器在一定频率范围内有较好的抗电网干扰的作用,但是要选择好滤波器的频率范围常常是困难的。为此,常的方法是既使用滤波器,同时也使用隔离变压器,连接方法如图4.14所示。 注意: 滤波器与隔离变压器同时使用时,应把滤波器接入电源,然后再接隔离变压器。同时,隔离变压器的初级和次级连接线要用双绞线,且初、次级要分离开。 此外,将控制器、I/O通道和其他设备的供电分离开(如图4.12和图4.13所示),也有助于抗电网干扰。 2.控制系统的接地设计 在控制系统中,良好的接地可以起到如下的作用。 ·一般情况下,控制器和控制柜与大地之间存在电位差,良好的接地可以减少由于电位 差引起的干扰电流。 ·混入电源和输入输出信号线的干扰可通过接地线引入大地,从而减少干扰的影响。 · 艮好的接地可以防止漏电流产生的感应电压。 可见,良好的接地可以有效地防止干扰引起的误动作,控制系统的接地一般有如图4.15所示的3种方法。
图4.15 控制系统的接地方法 其中图4.15 (a)为控制器和其他设备分别接地方式,这种接地方式最好。如果做不到每个设备专用接地,也可使用图4.15 (b)的其用接地方法。一般不能使用图4.15 (c)所示的其通接地方法,特别是应避免与电动机、变压器等动力设备共通接地。 在设计接地时,还应注意以下几点。 ·采用共通接地方式,接地电阻应小于100Ω。 ·接地线应尽量粗,一般用大于2mm2的接地线。 ·接地点应尽量靠近控制器,接地点与控制器之间的距离不大于50m。 ·接地线应尽量避开强电回路和主回路的电线,不能避开时,应垂直相交,应尽量缩短 平等直线的长度。 3.防I/O干扰的措施 (1)从抗干扰角度选择I/O模块 从抗干扰的角度来看,I/O模块的选择要考虑下列因素。 ·输入输出信号与内部回路隔离的模块比非隔离的模块抗干扰性能好。 ·晶体管型等的无触点输出的模块比有触点输出的模块在控制器侧产生的干扰小。 ·输入模块允许的输入信号ON-OFF电压差大,抗干扰性能好;OFF电压高,对抗感 应电压是有利的。 ·输入信号响应时间慢的输入模块抗干扰性能好。 (2)防输入信号干扰的措施 输入设备的输入信号中的线间干扰(差模干扰)用输入模块的滤波可以使其衰减,这是没有问题的。然而,输入信号线与大地间的共模干扰在控制器内部回路产生大的电位差,是引起控制器误动作的主要原因。为了抗共模干扰,控制器要良好接地。 如图4.16所示,在输入端有感性负荷时,为了防止反冲感应电势损坏模块,在负荷两端并接电容C和电阻R(交流输入信号),或并接续流二极管D(直流输入信号)。如果与输入信号并接的电感性负荷大时,使用继电器中转效果最好。交流输入方式时,C、R的选择要适当才能起到较好的效果。一般情况下的参考数值为:负荷容量在IOVA以下,选O.1μF+120Ω;负荷容量在10VA以上时,选0.47μF+47Ω。 输入电路中的感应电压的存在也是产生干扰信号的一个重要因素。图4.17是感应电压产生示意图,由图可知,感应电压是通过下列因素产生的。
图4.16 与输入信号并接感性负荷时
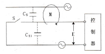
图4.17 电路中感应电压的产生 ·输入信号线间的寄生电容Cs1。 ·输入信号线与其他线间的寄生电容Cs。 ·与其他线,特别是大电流线的电气耦合M。 对于感应电压干扰,可以采取下面的3种措施。 ·输入电压的直流化。如果可能的话,在感应电压大的场合,改交流输入为直流输入。 ·在输入端并接浪涌吸收器。 ·在长距离配线和大电流的场合,感应电压大,可用继电器转换。 (3)防输出信号干扰的措施 输出信号干扰的产生:感性负载场合,输出信号由“OFF”变成“ON”时产生突变电流;从“ON”变成“OFF”时产生反向感应电势;另外,电磁接触器等接点会产生电弧。所有这些,都有可能产生干扰。 根据负载的不同,防止输出信号干扰的措施主要有以下几条。 ·交流感性负载的场合:在负载的两端并接RC浪涌吸收器,如图4.18 (a)所示,RC 越靠近负载,其抗干扰效果越好。 ·直流感性负载的场合:在负载的两端并接续流二极管D,如图4.18 (b)所示,二极 管也要靠近负载,其反向耐压应是负载电压的4倍。
图4.18 防止感性负载干扰的措施 ·在开关时产生干扰较大的场合,对于交流负载可使用双向晶闸管输出模块。 ·交流接触器的触点的开、闭时产生电弧干扰,可在触点两端连接RC浪涌吸收器,如 图4.19( a)所示。要注意的是,通过RC浪涌吸收器会有一定的漏电流产生。 ·存在电动机或变压器开关干扰时,可在线间采用RC浪涌吸收器,如图4.19( b) 所示。
图4.19 防止大容量负载干扰的措施 从防止输出干扰的角度来考虑控制器输出模块的选择,在有干扰的场合要选用装有浪涌吸收器的模块。没有浪涌吸收器的模块,仅限用于电子式或电动机的定时、小型继电器、指示灯的驱动等场合。 (4)防止外部接线干扰的措施 控制器外部输入输出的接线不当,很容易造成信号间的干扰。为了防止或减少外部接线产生的干扰,可以采取以下措施。 ·交流输入输出信号与直流输入输出信号分别使用各自的电缆。 ·集成电路或晶体管设备的输入信号线,需要使用屏蔽电缆。屏蔽电缆中屏蔽线处理, 在输入/输出设备侧悬空,而在控制器侧接地。 ·控制器的接地线与电源线或动力线分开。 ·输入输出信号线与高电压、大电流的动力线分开。 ·30m以下的短距离时,直流和交流输入/输出信号线不要使用同一电缆,必须使用同 一电缆时,直流输入/输出信号线要使用屏蔽电缆。 ·30m~ 300m中距离的场合,不管直流还是交流信号,输入/输出线都不能使用同一根 电缆,输入信号线一定要用屏蔽线。 ·300 m以上的长距离场合,可考虑使用中间继电器转接信号,或使用远程I/O通道。
点击排行
PLC编程的基本规则
